Tagebuch vom Bau einer Modelleisenbahn

Steffen A. Mork



Alle Einträge

Schlagwörter:

221 135-7 50 3655 aktuell Alt Ulm ATmega32 Bahnhof Baureihe 38 Baureihe 41 Baureihe 78 Begrünung Beleuchtung Bergmann Bier Biermodus Bocholter Eisenbahn Gesellschaft BRAWA Bügelfalten-110 CAN-Bus Dampflok Donnerbüchsen Echtzeit Eclipse Eisenbahnfreunde Witten Eisenbahnmuseum Dahlhausen Eisenbahnsteuerung Embedded Erzwagen Fahrstraße Faller Firmware Fleischmann Formsignal gelbes Sh1 Gleisbesetztmeldung Google Earth hvdsw Hörder Bahnhof Integrationstest Intermodellbau itemis Kurzschluss Köf II Land der Ideen Landschaftsbau Lichtsignal Lokschuppen Lütgenau MDSD Miniatur Wunderland Modellbahnwelt Oberhausen Modellbau Modellierung Multi-Threading Märklin O&K L25 private Radlader Roco RS232 Ruhrtalbahn Schaltnetzteil Schattenbahnhof schlechte Kupplung Sodbrandt Soest Stellwerk Sufloch T3 Teppich V200 V60 Veranstaltungen Verkabelung Viessmann Vollmer Wittener Eisenbahntage Yakindu YouTube Öllekes

Auswechseln einer Weiche

Mittwoch, 27. März 2024: Über eine längere Zeit hinweg gab es Probleme mit Weiche 9, die Umschaltprobleme zeigte. Das äußerte sich dahingehend, dass die Züge von der Zunge voraus in den falschen, nicht geplanten Abzweig fuh ...

Neuimplementierung der Steuerungs-Software

Samstag, 4. Februar 2023: Seit geraumer Zeit wird die Steuerungs-Software der Modelleisenbahn neu implementiert. Die Anmutung ist am originalen ESTW orientiert. Statt Eclipse/Java wird C++/Qt verwendet. Sogar der Biermodus i ...

Überbrückungsklammern in Weichen erneuert.

Mittwoch, 1. Februar 2023: Heute wurden die provisorischen Überbrückungsklammern der denkenden Fleischmann-Weichen durch originale Klammern ersetzt. Die kupfernen manuell zurechgebogenen Klammern waren häufig rausgesprungen u ...

Elektronische Stellwerke bedienen

Dienstag, 22. November 2022: Heute ist ein Standardwerk der Deutschen Bahn eingetroffen, das den Regelbetrieb eines elektronischen Stellwerks (ESTW) erklärt. Neben der technischen Beschreibung wie ein ESTW funktioniert, werden v ...

USB-CAN-Busadapter

Dienstag, 18. Oktober 2022: Seit den ersten Entwicklungen mit dem CAN-Bus und der Eisenbahnsteuerungen hat sich im Embedded-Markt sehr viel getan. Insofern ist es nur logisch, sich mal günstige CAN-Busadapter anzusehen, ob sie ...

Lokomotive der Durtmunder Eisenbahn GmbH

Sonntag, 28. November 2021: Aus dem Nachlass der Anlage Braeker hat mir Tobias Braeker eine Lokomotive der Dortmunder Eisenbahn GmbH geschenkt. Er hat sie persönlich mit Schwungmasse und Faulhaber-Motor umgerüstet. Dadurch hat ...

Auswechseln einer Weiche

Mittwoch, 27. März 2024 Tags: Stellwerk Eisenbahnsteuerung

Über eine längere Zeit hinweg gab es Probleme mit Weiche 9, die Umschaltprobleme zeigte. Das äußerte sich dahingehend, dass die Züge von der Zunge voraus in den falschen, nicht geplanten Abzweig fuhren.

Glücklicherweise kann man die Antriebe von den Weichen abklipsen und so hat ein Test mit einer Austauschweiche ergeben, dass es nicht am Antrieb liegt. Ursache scheint eine schwache Federung innerhalb der Weichenzunge zu sein. Da der Fehler in der Weiche liegt und nicht im Antrieb, konnte der Antrieb während des Umbaus abgeklipst und angeschlossen am Gleisbett verweilen, wodurch der Ent- und Verkabelungsaufwand vermieden werden konnte. Seit Einbau der Austauschweiche ist kein Vorfall mehr aufgetreten.


Neuimplementierung der Steuerungs-Software

Samstag, 4. Februar 2023 Tags: Modellierung Fahrstraße Stellwerk Eisenbahnsteuerung Embedded Yakindu Biermodus CAN-Bus

Seit geraumer Zeit wird die Steuerungs-Software der Modelleisenbahn neu implementiert. Die Anmutung ist am originalen ESTW orientiert. Statt Eclipse/Java wird C++/Qt verwendet. Sogar der Biermodus ist inzwischen implementiert und funktioniert einwandfrei. Ein weiterer Vorteil ist die direkte Ansteuerung des CAN-Bus über USB-Adapter. Dadurch entfällt die Tunnelung durch die serielle Schnittstelle. Das Modell wird direkt geladen, sodass kein Plugin mehr generiert und kompiliert werden muss. Ein Edit-Modus ermöglicht die Anpassung des Gleisbild-Layouts.

Die neue Steuerung ist auf Anwendungsebene komplett neu in C++17 entwickelt worden. Die Hardware wird durch Qt abstrahiert. Software-technisch werden konsequent Statecharts unter Benutzung der Yakindu Statechart Tools benutzt. Es werden Unit Tests, SCT-Units sowie Code Coverage genutzt, um die Software-Qualität auf höchstem Niveau zu halten.

Die Software auf den ATmega32 Mikrocontrollern bleibt unangetastet.

Das Projekt ist auf github unter der MIT-Lizenz gehostet. Die Software ist fertig paketiert über ein APT-Repository für Ubuntu oder Debian verfügbar. Die unterstützte Architektur ist x86_64 und arm64. Eine Anleitung zur Einrichtung der Installation findet sich auf den github Projektseiten.


Überbrückungsklammern in Weichen erneuert.

Mittwoch, 1. Februar 2023 Tags: Stellwerk Eisenbahnsteuerung

Heute wurden die provisorischen Überbrückungsklammern der denkenden Fleischmann-Weichen durch originale Klammern ersetzt. Die kupfernen manuell zurechgebogenen Klammern waren häufig rausgesprungen und haben für Wackelkontakte gesorgt. Hintergrund war, dass in der ersten Anlage die Funktion der denkenden Weichen genutzt wurde. Das ist auf Grund der CAN-Bus basierten Steuerung nicht mehr notwendig.


Elektronische Stellwerke bedienen

Dienstag, 22. November 2022 Tags: Stellwerk

Heute ist ein Standardwerk der Deutschen Bahn eingetroffen, das den Regelbetrieb eines elektronischen Stellwerks (ESTW) erklärt. Neben der technischen Beschreibung wie ein ESTW funktioniert, werden vor Allem Bedienung und die Benutzeroberfläche erklärt. Das kann dazu genutzt werden, eine neue Stellwerks-Software zu entwickeln.


USB-CAN-Busadapter

Dienstag, 18. Oktober 2022 Tags: Stellwerk Eisenbahnsteuerung Embedded CAN-Bus

Seit den ersten Entwicklungen mit dem CAN-Bus und der Eisenbahnsteuerungen hat sich im Embedded-Markt sehr viel getan. Insofern ist es nur logisch, sich mal günstige CAN-Busadapter anzusehen, ob sie mit der Eisenbahnsteuerung zusammenarbeiten könnten. Nach einem kurzen Test hat sich herausgestellt, dass der Standard-Linux-Treiber hervorragend mit dem CAN-Bus der Modelleisenbahn kommunizieren kann. Erfreulicherweise Ist der Anschluss über USB sehr einfach.


Lokomotive der Durtmunder Eisenbahn GmbH

Sonntag, 28. November 2021

Aus dem Nachlass der Anlage Braeker hat mir Tobias Braeker eine Lokomotive der Dortmunder Eisenbahn GmbH geschenkt. Er hat sie persönlich mit Schwungmasse und Faulhaber-Motor umgerüstet. Dadurch hat die Lokomotive ein sehr gutes Laufverhalten.

Außer der Lokomotive lagen noch einige Waggons der Schwerindustrie bei, die in Dortmund ansässig war.

Nochmals herzlichen Dank Tobias.


Teilweiser Umzug auf github

Freitag, 22. Mai 2020

Seit heute wird der Quellcode und das Wiki nicht mehr auf SourceForge, sondern auf github weitergepflegt. Der Grund liegt in der moderneren Art und Weise, wie mit git kollaborativ gearbeitet werden kann. Die Links in den Menüse sind entsprechend aktualisiert. Die Webseite selbst und der Download-Bereich verbleiben auf SourceForge.


Erstes Gleissperrsignal von Viessmann

Samstag, 23. April 2016 Tags: BRAWA Viessmann Lokschuppen

Gestern informierte mich der Lokschuppen , dass der vorbestellte nächste Waggon der Dortmunder Eisenbahn GmbH eingetroffen sei. Daher war heute dort ein weiterer Besuch nötig.

Desweiteren habe ich im Katalog von Viessmann gesehen, dass offensichtlich die Lichtsignale mit Gleissperrsignal tatsächlich weiße LEDs enthalten sollen. Nach einer kurzen Prüfung hat sich das im Laden tatsächlich bestätigt. Also habe ich den Restbestand von einem Signal aufgekauft. Der Größenvergleich mit den bisher verbauten BRAWA-Signalen ist bemerkenswert. Es werden also noch einige Gleissperrsignale ersetzt und ergänzt, denn ich habe noch einige Lichtsignalmodule für die Eisenbahnsteuerung übrig.


Intermodellbau 2016

Donnerstag, 21. April 2016 Tags: Fleischmann Intermodellbau

Seit mehreren Jahren war ich nicht mehr auf der Intermodellbau in den Westfalenhallen. Als Erstes fiel auf, dass viele Händler zunehmend Second Hand Ware anbieten. Für mich ausnahmsweise mal ein Segen, denn dass Modellgleis von Fleischmann wird leider nicht mehr produziert. So habe ich vier halbe Gleislängen aus Altbeständen erworben, um den Isolierschienenverbinder zugunsten einer längeren Durchrutschstrecke vor Signalen zu verlegen.

Desweiteren viel auf der Messe auf, dass Kataloge immer mehr aus den Mode gelangen. Früher ging man kiloweise mit Papier aus der Halle. Erfreulich war, dass immer noch zwei Hallen alleine für Modelleisenbahn beansprucht werden. Ein gutes Zeichen dafür, dass das Hobby doch noch eine Menge Freunde hat. Immer mehr kleinere Firmen nehmen den Nieschenmarkt ein und bieten z.B. detailreiche Bäume, Mauern und sonstige detailreiche Ausstattungsgegenstände an.

Im Flugzeugbereich macht sich ganz klar der Modetrend der Drohnen bemerkbar. Waren früher noch viele Flugzeuge und Helikopter ausgestellt, sind jetzt mindestens die Hälfte der Aussteller hier im Drohnenmarkt ansässig.


Besuch im Nahverkehrsmuseum Dortmund

Sonntag, 20. März 2016 Tags: hvdsw

Heute war ich im Nahverkehsmuseum Dortmund unterwegs, das alte Straßenbahnen der Dortmunder Stadtwerke ausstellt. Neben alten Bahnen vom Anfang des 20. Jahrhunderts, konnte man auch einen GT8-Wagen besichtigen, mit dem ich in meiner Kindheit zur Schule gefahren bin. Neben vielen interessanten Details habe ich noch ein H0-Modell eines Stadtwerke-Busses gekauft, der jetzt meine Eisenbahnanlage schmücken darf.


Inneneinrichtung für die alte Werkstatt

Sonntag, 21. Februar 2016 Tags: Vollmer Lokschuppen

Die alte Werkstatt hat nun endlich ihre Einrichtung bekommen. Neben einem schön texturiertem Parkettboden wurden auch die Werkzeuge eingerichtet. Desweiteren wurde die Werkstatt um ein Anbaugebäude von Vollmer ergänzt.


Neue Waggons der Dortmunder Eisenbahn GmbH

Samstag, 20. Februar 2016 Tags: Märklin Lokschuppen

Heute habe ich mir im Lokschuppen zwei Eisenbahnwaggons der Dortmunder Eisenbahn GmbH gekauft. Die auf 500 Waggons begrenzte Auflage wurde von Märklin produziert und vom Lokschuppen in Auftrag gegeben. Die beladene Kohle ist maßstabsgerecht modelliert. Es kann im Lokschuppen ein weiterer Waggon vorbestellt werden. Der Liefertermin ist aber unbekannt.


Schlossgartenbahn Karlsruhe

Sonntag, 24. Mai 2015 Tags: private Dampflok YouTube

Dieses Video zeigt die Dampflok "Greif" der Schlossgartenbahn Karlsruhe. Die Lok wurde 1939 von Henschel in Kassel gebaut und hat 70 PS. Die Bahn hat eine Länge von 2,7 km und eine Rundfahrt dauert ca. 20 Minuten.

Siehe auch:


Nächster Halt: 4+1

Dienstag, 16. Dezember 2014 Tags: itemis Eisenbahnsteuerung YouTube Landschaftsbau

itemis hat mir die Gelegenheit gegeben, die Eisenbahnsteuerung im Rahmen von 4+1 entwickeln zu können und hat das eindrucksvoll in diesem Video zusammengefasst:

Mehr zum Thema Karriere und Weiterbildung bei itemis findet ihr unter https://www.itemis-karriere.de


100 Jahre AW Schwerte

Samstag, 20. September 2014 Tags: private Dampflok Baureihe 78 Eisenbahnfreunde Witten YouTube

Anlässlich der Veranstaltung "100 Jahre EAW Schwerte" am 20.09.2014 habe ich in einem kleinen Video meine Eindrücke zusammengefasst. Es wurden neben Diesel- und Elektrolokomotiven natürlich auch Dampfloks gezeigt. Dieses Video zeigt folgende Lokomotiven:

  • RAG D-712
  • 58 311
  • 78 468
  • 363 652-9


Defekt an einem CAN-Controller

Samstag, 22. März 2014 Tags: Eisenbahnsteuerung CAN-Bus

Heute Abend hat sich aus heiterem Himmel ein CAN-Controller verabschiedet. Nach kurzer Diagnose habe ich den Controller mit der ID Nr. 10 als defekt identifiziert. Leider hatte der Tauschcontroller einen Wackelkontakt an den CAN-Anschlüssen. So musste erstmal die Fehlerursache für den Defekt herausgefunden werden. Nach Abarbeitung der Durchgangsprüfung stellte sich eine nicht ganz sauber verlötete Drahtbrücke als Ursache heraus. Leider hat es bei der Aktion auch den MCP2515 mitgenommen. Nach Reparatur des Bausteins konnte die Eisenbahnanlage wieder in Betrieb genommen werden.

Der Wackelkontakt am Tauschbaustein war ein abgebrochener Stift an der Anschlussbuchse. Nach Tausch der Buchse funktioniert dieser Baustein auch wieder wie gewünscht.


Panorama der Eisenbahnanlage

Dienstag, 31. Dezember 2013 Tags: private aktuell

Das Panoramabild ist aus acht Einzelbildern zusammengesetzt und zeigt die Eisenbahnanlage in Frontalsicht.


100.000 Klicks!

Sonntag, 29. Dezember 2013 Tags: YouTube

Mit diesem YouTube-Video, das ich vor vier Jahren eingestellt habe, wurde heute die 100.000-Klicks-Marke durchbrochen! Herzlichen Dank an Alle, die sich dieses Video angesehen haben.


Raumbeleuchtung mit Dimmer

Samstag, 21. Dezember 2013 Tags: Beleuchtung

Heute wurde die Raumbeleuchtung der Eisenbahn mit einem Dimmer und dimmbaren LEDs ausgestattet. So kann die Hausbeleuchtung an der Eisenbahn wirklich helligkeitsabhängig ein- und ausgeschaltet werden. Es sind jetzt die LEDs Superstar Classic P40 advanced von Osram und der Dimmer Busch Jäger 2247U verbaut. Die vier LEDs haben schönes warmweißes Licht (Farbtemperatur 2700 K) mit einem Farbwiedergabeindex von Ra = 80 und verbrauchen zusammen nur 25 Watt. Der Nennlichtstrom ist mit 470 lm angegeben.


Letzter Dampfzug der Ruhrtalbahn in diesem Jahr

Sonntag, 6. Oktober 2013 Tags: Eisenbahnmuseum Dahlhausen Dampflok Baureihe 38 Donnerbüchsen YouTube

Heute fuhr der Dampfzug auf der Ruhrtalbahn das letzte Mal in diesem Jahr. Anlass genug, um die Wintersaision einzuleuten und eine Kurzstrecke von Hagen-Vorhalle bis Hagen Hauptbahnhof mit der P8 (38 2267) zu fahren:


Neuer Eisenbahnwaggon und alte Werkstatt

Sonntag, 20. Januar 2013 Tags: Vollmer Lokschuppen

Heute war ich im Lokschuppen und fand diesen Eisenbahnwaggon, an dem ich aus guten Gründen nicht vorbei gehen konnte...

Alte Werkstatt

Der eigentliche Grund für den Besuch im Lokschuppen war die Suche nach einem schönen alten Haus von Vollmer , das eine "Baulücke" in der Nähe der Post füllen sollte. An diesem Haus habe ich frei nach Rolf Ertmer die Beleuchtung so angebracht, dass sie innerhalb des Gebäudes von oben herab nach draußen scheint. Desweiteren wird dadurch noch Innenausstattung notwendig.


Aktueller Bauzustand

Samstag, 3. Dezember 2011 Tags: private aktuell

Diese Bilder zeigen den aktuellen Ausbauzustand.


Graffiti!

Sonntag, 27. November 2011 Tags: Landschaftsbau

Skandal in Alt Ulm! Auf einer grauen, hässlichen Betonmauer wurde ein Graffiti angebracht. Ein ähnliches Graffiti lässt sich an einem verfallenen Gebäude am Dortmunder Hauptbahnhof bewundern.


Kohl angebaut

Samstag, 22. Oktober 2011 Tags: Landschaftsbau

In den neuen Schrebergärten tut sich was! Nachdem eine Reihe von Gemüse (Weißkohl, Rotkohl, Blumenkohl, Salat und Brokkoli) angebaut wurde. Wurde zum Abschluss der Saison noch kräftig abgegrillt.


Schrebergärten

Samstag, 18. Juni 2011 Tags: Landschaftsbau

Heute wurden zwischen Sodbrandt und Sufloch zwei Schrebergärten angelegt. Die Bewohner sind auch gleich eingezogen und haben den Einzug gebührend mit Grillen gefeiert.


Neue Lokalbahnwaggons

Samstag, 19. Februar 2011 Tags: Dampflok Lokschuppen YouTube Roco T3

Heute habe ich einen Gutschein im Lokschuppen eingelöst und drei Lokalbahnwaggons von Roco gekauft. Die kurz gekuppelten Waggons sehen vor der T3 wirklich schön aus. Einen kleinen YouTube-Film habe ich auch von der Lokalbahn gemacht:


Tobias' Radlader O&K L25

Samstag, 5. Februar 2011 Tags: O&K L25 Radlader Modellbau YouTube

Heute hat mich Tobias Braeker zum Radladerfahren abgeholt. Er hat sich als Dipl. Ing. (Maschinenbau) einen Kindheitstraum verwirklicht und einen Radlader im Maßstab 1:12 nachgebaut. Der O&K L25 ist aus Edelstahl gefertigt, wiegt stattliche 12 kg und kann bis zu 9 kg heben. Das Modell ist sehr detailliert gearbeitet. Jedes Rad wird durch einen eigenen Glockenankermotor (Faulhaber) angetrieben, die Schaufel wird hydraulisch betätigt. Ein Soundmodul sorgt für Hörgenuss, denn das Motorengeräusch passt zu den gesteuerten Fahrkommandos. Natürlich ist das Modell auch vorbildlich mit Leuchten (Blinker, Rückfahrscheinwerfer, etc.) ausgestattet. Übrigens kann die Schaufel hydraulisch durch ein anderes Anbaugerät ausgewechselt werden.

Die Steuerung ist ein waschechtes Embedded System. Sie beinhaltet den Empfänger, die Motorensteuerung, die Sound- und Lichtsteuerung. Der linke Steuerhebel bedient das Fahrzeug selbst, der rechte Steuerhebel bedient die Schaufel. Die Bedienung braucht natürlich Übung, denn meistens ist man es gewöhnt, mit links die Geschwindigkeit und mit rechts die Lenkung zu bedienen. Es macht aber in jedem Fall viel Spaß, Sand und Steine durch das Gelände zu transportieren.

Tobias verkauft das Modell als Bausatz oder als Fertigmodell. Die Preise können über seine Homepage erfragt werden. Auf YouTube können weitere interessante Filme mit dem L25 betrachtet werden. Für die Zukunft plant er die Konstruktion eines Kippers. Ich bin mal gespannt!


30 neue Bewohner

Donnerstag, 23. Dezember 2010 Tags: Öllekes

Seit heute gesellen sich 30 neue Bewohner im Umland von Alt Ulm. Bahnwärter, Handwerker, Bahnreisende und ein paar Wäsche trocknende Hausfrauen bereichern die Anlage.


Die neue Köf II

Sonntag, 19. Dezember 2010 Tags: Köf II BRAWA

Zu meinem heutigen Geburtstag habe ich von meinen Eltern eine Köf II von BRAWA geschenkt bekommen. Die beeindruckend detailierte Kleinlokomotive ist auf Grund des Druckgussmetalls recht schwer und somit kräftig. Meine erste Lok mit Glockenankermotor zeichnet sich durch ausgezeichnete Fahreigenschaften aus. Sie ist so leichtgängig, dass der geringe Strom der Stromfühlerschaltung der Gleisbesetztmeldung die Lok schon in Bewegung setzen kann.


Bahnhofsbeleuchtung

Sonntag, 19. Dezember 2010 Tags: Beleuchtung

Heute wurden auch die letzten Bahnhofslaternen installiert. Somit ist jetzt der gesamte Bahnhofsbereich gleichmäßig ausgeleuchtet.


Lüsterklemmen gegen Federzugklemmen getauscht

Montag, 13. Dezember 2010

Heute wurden die Lüsterklemmen der Starkstromverkabelung gegen Federzugklemmen getauscht. Inzwischen sind Lüsterklemmen in Starkstromverteilern verboten. Die Federzugklemmen lassen sich leicht installieren und lassen in ihrer Federkraft über Jahre nicht nach.


Weihnachtsbaum gelötet

Sonntag, 12. Dezember 2010 Tags: Sodbrandt Beleuchtung

Ab heute ist auch in Sodbrandt die Weihnachtszeit eingeläutet worden. Auf dem Bahnhofsvorplatz wurde ein beleuchteter Weihnachtsbaum aufgestellt. Mit 18 LEDs ist er ein interessanter Blickfang zur Weihnachtszeit.


Sufloch und Sodbrandt erhalten Beleuchtung

Montag, 1. November 2010 Tags: Sufloch Sodbrandt

Die beweglichen Module Sufloch und Sodbrandt sind heute mit Beleuchtung ausgestattet worden. Schwierig war die Frage, wie die Module so mit Strom versorgt werden können, dass sie auch bequem abgestöpselt werden können. Letztlich habe ich mich für 10-polige Wannenstecker entschieden. Die Module haben das Signalmodul erhalten und die Funktionalität wurde entsprechend für Beleuchtung erweitert. Die Beleuchtung der Module lässt sich jetzt zwar nicht dimmen, um entsprechende Effekte zu erreichen, da sie aber im Hintergrund montiert sind, fällt das nicht so ins Gewicht.

Ein Problem stellt die Stromversorgung dar. Werden zu viele Lampen gleichzeitig eingeschaltet, kann der steuernde Mikrocontroller abstürzen. Die Lösung ist, die Beleuchtung möglichst auf LED umzustellen. Letztlich ist dadurch die Beleuchtung schöner geworden und verbraucht weniger Strom. Das Problem tritt jetzt nicht mehr auf.


Haltepunkt Sufloch erhält Bahnsteig

Samstag, 30. Oktober 2010 Tags: Sufloch Beleuchtung

Der Haltepunkt Sufloch hat heute einen Bahnsteig samt Bahnsteigleuchten erhalten. Dazu wurde Pappe in Form geschnitten und mit Steinimitat beklebt. Die Bahnsteigleuchten sind sehr hell, da jeder Mast zwei LEDs enthält.


Teppich

Donnerstag, 21. Oktober 2010 Tags: Teppich

Seit heute liegt überraschenderweise ein Teppich vor der Eisenbahn. So wird das Spielen auch außerhalb der Eisenbahn ein wenig gemütlicher. Einen besonderen Dank gehört meinem Vater, der den Teppich besorgt hat und nach getaner Verlegung sich hier auch über das Resultat freut.


Weitere Lampen angeschlossen

Samstag, 16. Oktober 2010 Tags: Beleuchtung

Heute habe ich einen weiteren CAN-Knoten unter der Anlage montiert. Zur besseren Verteilung wurde ein Gleismelder an den neuen CAN-Knoten ummontiert. So sind bisher vier neue Lichtmodule unter der Anlage in Betrieb. Das beiliegende Bild zeigt eine Nachtstimmung, die erst jetzt durch die Haus- und Straßenbeleuchtung möglich wird.

Unter dem Bahnsteigdach und am Schuppen wurden Minimodule von mir gelötet, die weiße helle SMD-LEDs enthalten. Wie auf dem Bild zu erkennen, war das Löten eine knifflige Sache, sind die LEDs nur etwa zwei Millimeter groß.


Besuch im Miniatur Wunderland

Dienstag, 12. Oktober 2010 Tags: Miniatur Wunderland

Endlich! Heute durften wir im Miniatur Wunderland eine atemberaubende Modelllandschaft genießen. Für die Liebe zum Detail und dem logistischen Aufwand Aufwand empfinde ich tiefen Respekt! Höhepunkt war die einstündige Führung hinter den Kulissen. So kann man die Anlage von der anderen Seite genießen und gewinnt obendrein noch interessante Einblicke in die Technik.


Neugestaltung vor Haltepunkt Sufloch abgeschlossen

Freitag, 8. Oktober 2010 Tags: Sufloch Landschaftsbau

Die Neugestaltung vor dem Haltepunkt Sufloch sind abgeschlossen. Die Felsen wurden bemalt, die Wiesen, Bäume und Zäune wurden geklebt. Der Hang ist teilweise mit Betonplatten abgestützt. Hierfür wurde stabile Pappe verwendet. Als nächstes ist der Haltepunkt Sufloch selbst dran. Hier sind ein Bahnsteig und ein Parkplatz geplant.


Umfangreiche Ausbauarbeiten

Sonntag, 3. Oktober 2010 Tags: Sufloch Beleuchtung Embedded Echtzeit CAN-Bus YouTube Landschaftsbau

Die letzten beiden Tage waren von umfangreichen Bau- und Löttätigkeiten geprägt. Zum einen ist die Haus- und Straßenbeleuchtung betriebsreif, zum anderen wird vor dem Haltepunkt Sufloch das Gelände neu gestaltet.

Inbetriebnahme der Hausbeleuchtung

Die Eisenbahnanlage hat einen weiteren CAN-Knoten zur Ansteuerung der Haus- und Straßenbeleuchtung erhalten. Ferner wurde das CAN-Gateway mit einem Busy-Indicator und einem Helligkeitssensor ausgestattet. Letzterer dient dazu, abhängig vom Umgebungslicht die Haus- und Straßenbeleuchtung ein- oder auszuschalten. Jede der Lampen erhält ein eigenes Profil und einen Schwellwert, der die Ein- und Ausschalthelligkeit bestimmt. Als Profile können normale Glühlampen, Neonröhren und Gaslaternen gewählt werden. Auch die zufällige Wahl der acht Neonprofile kann konfiguriert werden. Das Video der Hausbeleuchtung kann bei YouTube angesehen werden:

Umbau vor Haltepunkt Sufloch schreitet voran.

Der Hang vor dem Haltepunkt Sufloch wurde neu profiliert und mit Gips modelliert. Diesmal habe ich mir mit den Felsen mehr Mühe gegeben und habe Furchen eingeritzt und mit Farbe die Form betont.


Entwicklung der Beleuchtung

Samstag, 18. September 2010 Tags: Beleuchtung Embedded Echtzeit

Das Bild zeigt ein neues Elektronikmodul der Eisenbahnsteuerung. Es besteht nur aus einem Anschluss an einen CAN-Knoten und Anschlüssen für Glühbirnchen. Beide Anschlüsse sind durch einen ULN 2803 entkoppelt. Die Software kann jeden Anschluss unabhängig voneinander in unterschiedlicher Helligkeit dimmen. Da der ATmega32 nicht genug PWM-Ausgänge hat, muss das in Software geschehen. Eine geschickte Wahl an Tabellen und und Algorithmen löst diese Aufgabe sehr effizient in den beiden Modulen pwm.c und light.c


Umbau vor Haltepunkt Sufloch

Sonntag, 12. September 2010 Tags: Sufloch Landschaftsbau

Um die Neugestaltung des Geländes vor dem Haltepunkt Sufloch durchführen zu können, mussten die alten Bürgersteige entfernt werden. Entscheidend ist hier, dass das Gelände für das Stapeln der Styropor-Platten eben wird.

Nach dem Freiräumen des alten Geländes wurde das Gelände grob mit Styropor vormodelliert. An der Frontkante wird eine Stützmauer hinkommen. Der hintere Teil der Wand wird mit Naturstein texturiert. Zusätzlich wird eine Auffahrt vor den Häusern herführen. Die Backsteinhäuser ersetzen die Tanks und die Plattenbauten. Auch ein neues Lagerhaus sorgt für bessere Stimmung.


Neue Bootloader geflasht

Samstag, 11. September 2010 Tags: ATmega32 Firmware CAN-Bus

Heute wurden einige Änderungen am CAN-Bus-Protokoll eingeführt. Die Broadcast-ID und die Gateway-ID wurden ausgetauscht. Dadurch haben Antworten der CAN-Knoten höhere Priorität auf dem Bus als alle anderen CAN-Meldungen. Gleichzeitig wurde die Antwortmeldung um zwei Bytes gekürzt. Diese Änderung machte das Umflashen der sämtlicher Bootlader und neue Gateway-Firmware notwendig.

Das war eine typische Unter-Tisch-Arbeit mit viel Kletterei. Wie es bei Murfy so ist, hat es nicht auf Anhieb geklappt. Die Ursache habe ich zwei Stunden später herausgefunden: Ich habe beim Flashen einen CAN-Knoten übersehen. Da er noch das alte Protokoll sprach, hat er den Flashvorgang der neuen Firmware gestört.

Zum guten Schluss hat alles geklappt und die neuen Bootlader erfüllen wieder ihren Zweck. Ein paar kleinere Probleme in der Steuerungs-Software waren schnell gefunden und behoben. Hier zeigt sich der Vorteil des automatischen Testens. Diese Tests sind fehlgeschlagen, weil über hart verdrahtete Indizes in der Antwortmeldung zugegriffen wurde. So konnte der Fehler vor Inbetriebnahme gefunden werden.


Neue Blocksignale installiert

Samstag, 17. April 2010 Tags: BRAWA Viessmann Lichtsignal

Die bisherigen Blocksignale von BRAWA wurden heute gegen Blocksignale mit Vorsignalen von Viessmann ersetzt. Die BRAWA-Signale haben vor über einem Jahr einen deftigen Kurzschluss verursacht. Diese Gefahr ist mit diesen Signalen jetzt gebannt. Zusätzlich kann man jetzt die Stellung der nächsten Blocksignale an Hand der Vorsignale erkennen.


Spielplatz eingerichtet

Sonntag, 11. April 2010 Tags: Sufloch Landschaftsbau

Seit heute gibt es in Sufloch einen Kinderspielplatz. Damit ist auf dem Berg die letzte Lücke im Landschaftsbau geschlossen.


Isolierschienenverbinder

Dienstag, 30. März 2010 Tags: Gleisbesetztmeldung

Um auf einer Modelleisenbahnanlage die Gleisbesetztmeldung zu realisieren, werden sog. Isolierschienenverbinder zwischen die Schienenstöße montiert. Damit können Züge mittels der Stromfühlermethode gemeldet werden. Im Original funktioniert das mit einem sog. Isolierstoß und einem entsprechendem Gleisstromkreis. Auf dem Bild kann man deutlich die Anschlüsse für die Gleisstromkreise und die speziell für die Isolierung verwendeten Gleislaschen erkennen. Wie solche Isolierstöße hergestellt werden, kann man hier nachlesen.


Neues Signal installiert

Mittwoch, 17. Februar 2010 Tags: BRAWA Viessmann Lichtsignal Formsignal

Heute habe ich das letzte BRAWA-Signal der Signalkörbe gegen ein Mastsignal von Viessmann ersetzt. Dabei habe ich das Vorsignal durch ein Hauptsignal ergänzt. Dadurch lassen sich die Automatikmodi ein wenig flüssiger benutzen, da der bisherige Blockabschnitt vom Hauptbahnhof über den des Schattenbahnhofs reichte und somit sehr lang war. Die alten Signale von BRAWA waren durch ihre Metallfassung sehr kurzschlussgefährdet, so dass dort ein Risiko gebannt werden konnte. Ferner konnte ein defektes Fleischmann-Formsignal gegen eins von Viessmann getauscht werden.


Werbeplakate aufgebaut

Sonntag, 31. Januar 2010 Tags: Bergmann Bier Biermodus

Häufig habe ich beim aktivierten Biermodus ein leckeres Bergmann Bier getrunken. Höchste Zeit also, ein paar Werbeplakate im Maßstab 1:87 auf der Anlage aufzubauen. Glück auf!


Palais aufgebaut

Sonntag, 27. Dezember 2009 Tags: Vollmer Alt Ulm

Heute waren ein paar Landschaftsarbeiten dran. Das neu zusammengebaute Palais von Vollmer wurde an seinem Platz aufgestllt. Das erforderte einige Umbauarbeiten am Straßenzug. Desweiteren wurden ein paar Stecktannen aufestellt, was dem Ganzen ein wenig mehr Stimmung verleiht.


Polarität am Formsignal umgelötet

Dienstag, 22. Dezember 2009 Tags: Viessmann Formsignal

Aufgrund eines Forumsbeitrags habe ich in der Signalelektronik die Richtung von vier Dioden umgedreht. Jetzt funktioniert das Signal am Magnetartikelmodul einwandfrei. Die Lösung ist im Verhältnis die einfachste, da ich jetzt nicht mehr eine Zusatzelektronik entwickeln muss.


Letzte Weichen modernisiert

Montag, 21. Dezember 2009 Tags: Fleischmann

Die Firma Fleischmann hat das Modellgleis aus dem Programm genommen. Da ich aber nur Modellgleis verbaut habe, ist das jetzt die letzte Gelegenheit alte Weichen aus den 60er Jahren zu modernisieren. Das betrifft eine Dreiwegweiche und zwei Linksweichen in der Abstellgruppe.


Formsignal mit falscher Polarität

Sonntag, 20. Dezember 2009 Tags: BRAWA Viessmann Lichtsignal Formsignal

Zum Geburtstag habe ich mein erstes Formsignal der Firma Viessmann bekommen. Leider funktioniert es nicht zuverlässig an meinen Magnetartikelmodulen. Nach einiger Zeit konnte ich feststellen, dass die Polarität des Signalanschlusses nur in eine Richtung zuverlässig funktioniert. Die Lösung scheint zu sein, einen Spannungswandler zu entwickeln, der zwischen Magnetartikelmodul und Signal geschaltet wird und die Polarität umdreht.

Ein weiteres Signal habe ich ausgetauscht: Das kombinierte Block-/Vorsignal der Signalbrücke habe ich gegen die Mastvariante getauscht. Das Kurzschlussrisiko der alten BRAWA-Signale war mir einfach zu groß.


Fleischmann Formvorsignal defekt

Sonntag, 29. November 2009 Tags: Fleischmann Formsignal

Heute habe ich neben dem Fleischmann Formvorsignal einige Teile liegen sehen, die offensichtlich zum Signal gehörten. Einige Führungselemente hingen daneben. Jetzt beginnt das Spielchen, die komplizierte Mechanik wieder zu reparieren. Das Teil ist ein Bolzen, der die linke Farbblende und die rechte Gaslaterne am Mast fixiert. Die Gaslaterne führt ebenfalls zwei Gestänge zum Schalten der rechten Farbblende. Alles in allem braucht man vier Hände, um alles wieder an Ort und Stelle fixieren zu können. Nach einer halben Stunde Pfriemelei funktioniert das Signal endlich wieder.


Wittener Eisenbahntage

Sonntag, 8. November 2009 Tags: V60 Veranstaltungen private Baureihe 78 Wittener Eisenbahntage Eisenbahnfreunde Witten Stellwerk

An diesem Wochenende haben die Wittener Eisenbahntage stattgefunden. Veranstalter waren die Eisenbahnfreunde Witten e.V. Neben einigen Modellbahnanlagen konnte man auch das Stellwerk des Wittener Hauptbahnhofs besichtigen. Eine Führerstandsmitfahrt auf einer in ursprünglicher Lackierung wieder hergerichteten V60 rundeten das Bild eines gemütlichen und freundlichen Eisenbahnvereins ab. Interessanterweise hat der Verein die 78 510 als Wappenlok auserkoren - eine gute Wahl.


Zugsteuerung verbessert

Montag, 7. September 2009 Tags: Eisenbahnsteuerung Gleisbesetztmeldung Biermodus YouTube

Bisher konnte man nur mehrere Lokomotiven gleichzeitig fahren lassen. Der Versuch, mehrere komplette Züge automatisch fahren zu lassen hat meist nach wenigen Minuten mit einem Unfall geendet. Der Grund war, dass die Waggons nicht zu einer Gleisbesetztmeldung geführt hat. Das wiederum bedeutet aus Sicht der Steuerung, dass scheinbar freie Gleisteile wieder für neue Fahrstraßen verwendet werden können. Das führt früher oder später dazu, dass Weichen unter dem fahrenden Zug verstellt wurden und den Zug so zum Entgleisen gebracht hat.

Die Lösung sieht so aus, dass die Gleisabschnitte nur blockweise, d.h. von Hauptsignal zu Hauptsignal freigegeben werden. Da viele Weichen durch Hauptsignale abgesichert sind, kann ein Verstellen damit nicht mehr eintreten.

Ein kleiner YouTube-Film veranschaulicht diese Funktionsweise:

Ein weiterer Film zeigt die Funktionsweise des unverändert gebliebenen Biermodus:


Aufräumarbeiten der Verkabelung

Sonntag, 9. August 2009 Tags: Verkabelung

Heute wurde die Verkabelung der Weichen aufgeräumt. Kabelbinder sorgen jetzt dafür, dass Kabel der Weichen nicht mehr runterhängen. Die Kabel wurden nicht passend abgelängt, um einen späteren Umbau an andere Stellen zu ermöglichen.


Tunnelverblendung angebracht

Donnerstag, 11. Juni 2009 Tags: Landschaftsbau

Um zu vermeiden, dass man bei Einsicht in den Tunnel die Gardinen an der Hinterwand des Raumes sieht, habe ich eine Tunnelverblendung angebracht. Sie besteht aus Pappe, die mit der Textur einer Rotsandsteinmauer beklebt wurde. So sieht die Tunneleinfahrt realistischer aus.


Ruhrtalbahn

Sonntag, 7. Juni 2009 Tags: Eisenbahnmuseum Dahlhausen private Veranstaltungen Dampflok Baureihe 78 Ruhrtalbahn

Heute war Dampftag der Ruhrtalbahn. Wir sind von Hagen-Vorhalle ins Eisenbahnmuseum Dahlhausen und wieder zurückgefahren. Diesmal konnte die 78er zeigen, was sie drauf hatte. Die relativ lange Strecke wurde schnell befahren. Sie musste aber häufig an den relativ vielen Haltepunkte halten.


Google Railway

Sonntag, 3. Mai 2009 Tags: Google Earth

Dieses Bild ist aus mehreren Einzelbildern entstanden - so wie die Detailaufnahmen bei Google Earth entstanden sind. Mittels eines Panoramaprogramms wurden die Bilder aneinandergefügt.


Wassermühle und Schlucht

Samstag, 2. Mai 2009 Tags: Sufloch Modellierung Begrünung Landschaftsbau

Heute habe ich ein paar Kleinigkeiten modelliert. Hier und da habe ich Felsen den Bahndämmen hinzugefügt. Bei dieser Gelegenheit wurde auch eine Wassermühle verbaut. Der Weg zwischen Sufloch und Sodbrandt wurde durch eine Brücke ergänzt, die den Bachlauf in die Schlucht überbrückt.


Museumstage in Bochum Dahlhausen

Samstag, 18. April 2009 Tags: Baureihe 41 Eisenbahnmuseum Dahlhausen private Veranstaltungen Dampflok Baureihe 78

Heute war ich mit meiner Tochter beim ersten Museumstag im Bochumer Eisenbahnmuseum. Zu Gast waren die Damplokomotiven 78 468 (natürlich) und die 41 1144-9. Besonders schön war die Führerstandsmitfahrt auf der 78.


Postamt in Alt Ulm

Samstag, 21. März 2009 Tags: Alt Ulm Landschaftsbau

Heute habe ich mein Geburtstagsgeschenk von Georg zusammengebaut. Ein Postamt. Es macht sich gut in den alten Häuserzeilen von Alt Ulm.


Stromverbrauchsanzeigen montiert

Samstag, 28. Februar 2009 Tags: Eisenbahnsteuerung

Ich habe heute zwei Drehspulinstrumente montiert, die den Stromverbrauch für die 12V-Schiene und die 24V-Schiene anzeigen.

Dabei zeigt sich, dass die Anlage im Leerlauf ca. 2A auf der 12V-Schiene verbraucht. Sind alle Gleise und Signale ausgeschaltet, sind die Mikrocontroller die einzigen Stromverbraucher und verbrauchen nur noch knapp ein halbes Ampere. Damit zieht ein Controller-Modul samt angeschlossener Leistungselektronik nur ca. 0,4 Watt. Sind alle Signallämpchen und Gleisabschnitte eingeschaltet, beläuft sich der Stromverbrauch auf gut 6 Ampere.

Die 24-Volt-Seite verbraucht ca. ein halbes Ampere. Hier wird der Strom für die Beleuchtung der Flügelsignale verbraucht. Der kurzfristige Schaltvorgang der Weichen verbraucht bis zu 2A.

Ein normaler Betrieb der Anlage verbraucht demnach ca. 150 Watt. Dieser Wert berücksichtigt die Schaltnetzteile (Wirkungsgrad ca. 80%), den Steuerrechner (ca. 50W) und die Zimmerbeleuchtung mit 50W. Der Fahrstrom der Lokomotiven ist dabei vernachlässigbar.


Letzte Fahrt der 50 3655

Samstag, 31. Januar 2009 Tags: private Veranstaltungen Dampflok 50 3655

Die Dampflok 50 3655 zeigte sich heute zum letzten Mal vor der gesetzlich vorgeschriebenen Revision bei schönstem aber kaltem Wetter auf ihrer Sonderfahrt nach Willingen im Dortmunder Hauptbahnhof. Hierbei hat sich wieder gezeigt, dass betriebsfähige Dampfloks lebendige Industriedenkmäler sind, die viele Menschen begeistern. Insofern ist zu hoffen, dass die Fristen zeitnah bezahlt und somit durchgeführt werden können, damit die 50 wieder in Aktion gesehen werden kann.


Stellpult als Schublade

Freitag, 9. Januar 2009 Tags: Stellwerk

Heute wurde ein Provisorium abgeschafft: Der Tisch mit dem Stellwerksrechner wurde durch eine stabile Schublade ersetzt. Diese ist niedrig genug, um nicht die Sicht auf die Anlage zu verdecken. Außerdem kann so bequem die ganze Steuerung bei Bedarf versteckt werden. Dadurch gewinnt der Raum deutlich an Platz.


Schlucht realistischer modelliert

Samstag, 3. Januar 2009 Tags: Modellierung Landschaftsbau

Bisher sah die Schlucht auf meiner Eisenbahnanlage ein wenig steril aus, weil das Gelände sehr glatt war. Ich habe da ein wenig nachmodelliert und noch weitere unregelmäßige Gipsaufträge angebracht, um die Sache ein wenig realistischer wirken zu lassen. Auch der Bachverlauf ist jetzt realistischer gestaltet.


Ich hab's getan: Baureihe 78 gekauft

Dienstag, 30. Dezember 2008 Tags: Baureihe 78 Dampflok Fleischmann

Die Baureihe 78 will mir nicht aus dem Kopf. Inzwischen meint meine Familie, dass ich mir sie doch gönnen sollte. Man hat ja sonst nichts vom Leben ;-)

Nach einigem Überlegen steigt die ganze Familie ins Auto und fährt in den Lokschuppen. Ein paar Mal sind wir noch um die Vitrine geschlichen, aber dann bin ich zur Tat geschritten und habe die Lok gekauft. Die Lok fährt sehr schön und ich finde, es ist ein krönender Abschluss, nachdem uns in diesem Winter die Baureihe 78 nahezu ständig begleitet hat.


Die Baureihe 78 im Lokschuppen

Montag, 29. Dezember 2008 Tags: Baureihe 78 Lokschuppen Fleischmann

Heute habe ich einen Abstecher in den Lokschuppen gemacht und plötzlich steht sie da in der Vitrine: Die Baureihe 78 von Fleischmann - Katalognummer 4075 - als zehnprozentiges Sonderangebot.


Modellbahnwelt Oberhausen

Sonntag, 28. Dezember 2008 Tags: Veranstaltungen Modellbahnwelt Oberhausen

Heute haben wir einen Ausflug zur Modellbahnwelt Oberhausen gemacht. Eine große Anlage, die das Ruhrgebiet der sechziger Jahre nachempfindet. Es ist eine schöne Anlage, die sich dadurch auszeichnet, dass viele Gebäude und Einrichtungen des Ruhrgebiets nachgebaut wurden. Natürlich sind die Zechen und Stahlwerke sehr beeindruckend nachgebaut worden und belegen einen Großteil der Anlage. Zufälligerweise fuhr dort auch meine Wunschlok, die 78 527 von Fleischmann - eine schöne Lok.


Neue Automatikmodi

Freitag, 26. Dezember 2008 Tags: Eisenbahnsteuerung Gleisbesetztmeldung Echtzeit

Zwischen den Feiertagen habe ich an neuen Automatikmodi programmiert. Diese ermöglichen es, an Hand einer vorgegebenen Tour einen Zug sogar im Kreis fahren zu lassen. Dabei wird die Fahrstraße nach vorne automatisch verlängert, sobald ein Zug einen Block verlässt. So "gleitet" die Fahrstraße durch die vorgegebene Tour.

Reinigungstour

Eine Tour ist die sog. "Reinigungstour". Diese ist so gestaltet, dass jeder Kreis komplett abgefahren wird und dabei alle Übergänge zwischen den beiden Kreisen ebenfalls abgefahren werden. So kann mithilfe des Reinigungswagens ein großer Teil der Anlage automatisch gesäubert werden.

Blockbetrieb

Es ist damit sogar möglich, mehrere Touren gleichzeitig aktiv zu haben. Ist ein Blockabschnitt belegt, wartet der Zug der anderen Tour solange vor dem Hp0 zeigenden Signal, bis der Block wieder frei ist. Die Tourensteuerung ist noch nicht fertig implementiert. Dadurch, dass Waggons nicht detektiert werden können, kann es passieren, dass Weichen unter Waggons geschaltet werden. Hier müssen entweder alle Waggons mit Widerständen nachgerüstet werden, damit die Gleisbesetztmeldung diese erkennt, oder es muss eine Verzögerung in die Steuerung implementiert werden.

Neue Signale und Blöcke

Im Zuge der Tourensteuerung habe ich noch einige Blöcke hinzugefügt. Viele liegen verdeckt im Tunnel und benötigen daher keine echten Signale. Diese sind nur virtuell im Gleisplan modelliert. Einige weitere sichtbare Signale habe ich aber trotzdem aufgebaut. Dadurch wird die Blocksteuerung noch realistischer.


Donnerbüchsen zum Geburtstag

Freitag, 19. Dezember 2008 Tags: Fleischmann Donnerbüchsen

Zum heutigen Geburstag habe ich drei Donnerbüchsen von Fleischmann bekommen. Da es ein sehr gutes Sonderangebot war, habe ich dann gleich noch vier weitere hinzugekauft. So macht sich der Zug von sieben Donnerbüchsen am Bahnhof ganz gut. Jetzt fehlt ja eigentlich nur noch die Baureihe 78.


Nikolausfahrt mit der 78 468

Sonntag, 7. Dezember 2008 Tags: Veranstaltungen Baureihe 78 Dampflok Ruhrtalbahn Fleischmann

Heute haben wir mit unsereren Nachbarn die diesjährige Nikolausfahrt auf der Ruhrtalbahn unternommen. Zu meiner großen, freudigen Überraschung war hier wieder die 78 468 als Zuglok vorgespannt, die wir letzte Woche im Hörder Bahnhof gesehen haben!

Ritzel von Fleischmannloks ausgewechselt

Nachmittags habe ich noch bei einem Freund drei Lokomotiven der Firma Fleischmann abgeholt. Diese krankten daran, dass die Abtriebswelle vom Motor im Ritzel durchdrehte, sobald der Motor warm war. Neue Messingritzel statt der alten Zinkdruckgussritzel beheben das Problem. Es war auch für die drei Lokomotiven eine gute Gelegenheit, auf einer großen Anlage Auslauf zu bekommen. Wann hat man schon mal die Möglichkeit, elf lange H0-Personenwagen vor eine 103 zu spannen...


CAN-Gateway montiert

Freitag, 5. Dezember 2008 Tags: CAN-Bus

Bis heute lag das CAN-Gateway unmotiviert auf dem Camping-Tisch vor der Eisenbahnanlage rum. Jetzt habe ich es sauber unter die Anlage montiert und statt dessen einen kleineren Gartentisch für das Notebook benutzt. So sieht die Sache wesentlich ordentlicher aus - Geburtstag und Weihnachten kann kommen. Nichtsdestotrotz muss noch ein vernünftiger Tisch her, der etwas niedriger ist. So steht der Bildschirm nicht so über die Eisenbahnebene über und man hat mehr Übersicht über die Anlage.


Die 78 468 im Hörder Bahnhof

Samstag, 29. November 2008 Tags: Veranstaltungen Baureihe 78 Dampflok Hörder Bahnhof Donnerbüchsen Bügelfalten-110 Soest

Heute fährt der Nikolauszug nach Soest. Leider können wir nicht an der Fahrt teilnehmen. Trotzdem kann man ja mal am Bahnsteig stehen und nach der Dampflok sehen. Zu meiner Begeisterung war nicht die sonst übliche 50 3655 vor den Zug mit Donnerbüchsen gespannt, sondern eine 78er! Die einzige noch betriebsfähige 78er, wie ich später erfahren habe.

Die letzten Tage der Bügelfalten-110

Neben der 78 468 konnten wir auch die Bügelfalten-110 in ihren letzten Tagen sehen. Die Strecke Dortmund-Soest wird bald privat geführt und mit Triebwagen befahren. Dann werden wohl die letzten 110er auf's Abstellgleis geschoben.


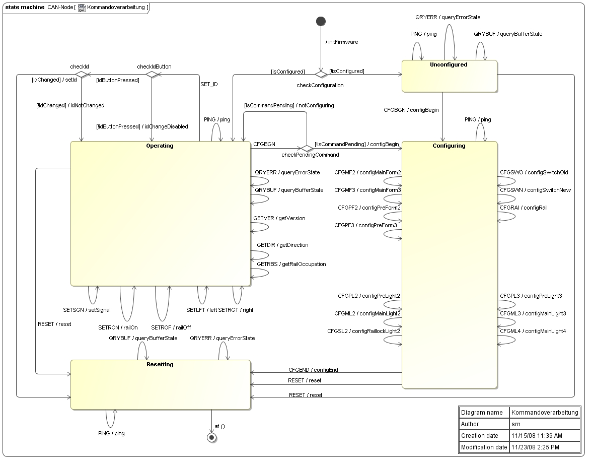
Kommandoverarbeitung wird modellbasiert generiert

Dienstag, 18. November 2008 Tags: Eisenbahnsteuerung Firmware Embedded MDSD CAN-Bus

Die Kommandoverarbeitung in der Firmware der CAN-Knoten war ein unschönes Stück Spaghetti-Code. Es dient trotzdem als Referenzimplementierung für die modellbasierte Firmware-Entwicklung. Zuerst wurde ein Zustandsdiagramm gefertigt, das die Betriebszustände enthält. Die eingehenden Kommandos sind die Zustandsübergänge enthalten. Aus diesem Diagramm wird mit Hilfe von openArchitectureWare der Code für die Kommandoauswertung generiert. Der Code enthält relativ viele Callbacks und switch/case-Anweisungen und bläht den Binärcode um ca. 1,5 KByte auf. Das ist aber nicht weiter schlimm, da jetzt noch Platz für ca. 18 KByte im Flash des ATmega32 vorhanden ist.


Kurzschluss im Blocksignal

Samstag, 25. Oktober 2008 Tags: BRAWA ATmega32 Lichtsignal Eisenbahnsteuerung Embedded Kurzschluss

Nachdem ein Blocksignal gleichzeitig rot und grün angezeigt hat, bin ich der Sache auf den Grund gegangen. Die BRAWA-Lichtsignale haben Glühbirnchen, die in den Signalschirm geschoben werden. Diese haben sich verschoben und so für die falsche Beleuchtung gesorgt. Beim Beheben des Problems habe ich dummerweise für einen Kurzschluss gesorgt. Die Konsequenz war, dass ein Lichtsignalmodul unter Geruchsbildung abgeraucht ist, und der dazugehörige CAN-Knoten seinen Geist aufgegeben hat. Bilanz des IC-Massakers: Ein ATmega32, ein MCP2515 und ein ULN 2803 sind zum Teil effektvoll gestorben. Zur Sicherheit habe ich auch die restlichen ICs vom Lichtsignalmodul außer Betrieb gesetzt. Auf dem CAN-Knoten ist eine Masseleitung durchgebrannt. Diese kann problemlos überbrückt werden. Das Gleiche ist auch mit dem CAN-Knoten passiert, dass durch falsch geklemmte Flachbandkabel beim Anschließen zerstört wurde. Hier hat es aber nur den ATmega32 erwischt. Ich habe die ICs bei Reichelt nachbestellt, um wieder Ersatzteile zu haben. Die Schaltung muss jetzt durch eine Sicherung so ergänzt werden, dass sie kurzschlussfest wird.

Moral von der Geschicht: Beim Elektroschrauben immer schön Strom abschalten!


Biermodus

Freitag, 17. Oktober 2008 Tags: Fahrstraße Multi-Threading Schattenbahnhof Biermodus Echtzeit

Da die Steuerung auf elektrischer Ebene funktioniert, muss die Steuer-Software ausgiebig getestet werden. Dabei hat sich gezeigt, dass der Einsatz von Multi-Threading sich komplizierter darstellt, als erst vermutet. Grund sind die relativ hohen Echtzeit-Anforderungen, denn auf eingehende Meldungen muss schnell reagiert werden, ohne dass andere Teile der Software blockiert werden.

Nachdem die Fahrstraßen-Steuerung einwandfrei funktioniert, kann der sog. Biermodus entwickelt werden. Hierbei werden Züge aus dem Schattenbahnhof automatisch und zufällig ausgewählt, die durch ebenfalls zufällige Gleise im Hauptbahnhof fahren sollen. Das soll der Entspannung bei einem leckeren Glas Bier dienen. Der Biermodus funktioniert schon ganz gut, allerdings muss die Software noch ein wenig getestet werden.


Formsignale funktionieren auch

Dienstag, 14. Oktober 2008 Tags: BRAWA Firmware CAN-Bus Formsignal

Heute habe ich einen üblen Fehler in der Firmware der Microcontroller gefunden. Diese haben die Konfiguration der Formsignale zerschossen und dadurch die Ansteuerung unbrauchbar gemacht. Hier zeigt sich die Stärke, den Microcontrollern einen CAN-Bootloader zu verpassen. So können alle 14 verbauten Controller in einem Rutsch mit fehlerfreier Firmware geflasht werden.

Behebung der Restprobleme

Die problembehafteten BRAWA-Signale sind nun auch in Ordnung gebracht. Ein Blocksignal scheint eine durchgebrannte Glühbirne zu haben. Diese kann aus einen Einfahrsignal mit unnützerweise zwei roten Glühbirnchen repariert werden. Auch ein Weichenantrieb scheint nicht durchzuschalten. Dieser muss vermutlich neu gekauft werden, denn die Ansteuerung des Schattenbahnhofs gelingt so nur von einer Seite.

Es sind noch einige andere Restarbeiten zu erledigen. Jetzt ist unter Eisenbahnanlage richtig Platz, so dass mal richtig gesaugt werden kann. Die Kabel der Weichen und Signale wurden nicht gekürzt. Sie werden zu Schleifen gebunden und mit dem Elektrotacker fixiert. Einige wenige Anschlüsse müssen noch beschriftet werden. 90 Prozent dieser Arbeit wurde schon vor der Verkabelung erledigt. Dies hat sich während der Verkabelung als sehr nützlich erwiesen, so dass die Konfiguration der Microcontroller sehr einfach von statten ging.


Fertig!

Sonntag, 12. Oktober 2008 Tags: BRAWA CAN-Bus Formsignal

Es ist soweit! Die Verkabelung der Eisenbahnsteuerung ist abgeschlossen. Nach zwei sehr arbeitsreichen Tagen konnte die Verkabelung fertiggestellt werden. Einige Signale scheinen nicht zu funktionieren, das liegt aber nicht an der Steuerung selbst, sondern an Kontaktproblemen vor allem der BRAWA-Signale, welche über einen feinen Lackdraht angeschlossen werden. Einzig die Formsignale scheinen überhaupt nicht zu funktionieren. Das legt daher ein Software-Problem nahe.

Nichts desto trotz: Die Fahrstraßenschaltung funkioniert einwandfrei. Es ist beeindruckend und macht Spaß damit zu spielen. Auch meine Tochter hat sichtlich Freude an der neuen Steuerung und versucht sich an der Stellwerks-GUI.

Zum Abschluss des Tages wird in der Familie eine Flasche Sekt geköpft und gebührend gefeiert.


Die erste Weichenstraße ist verkabelt

Freitag, 10. Oktober 2008 Tags: Verkabelung ATmega32 Lichtsignal Eisenbahnsteuerung CAN-Bus Formsignal

Die Nordausfahrt des Hauptbahnhofs ist fertig verkabelt und funktionstüchtig. Die sieben Ausfahrsignale sehen schon beeindruckend aus. Leider hat die Verkabelung ein wenig länger gedauert als geplant. Einige Flachbandkabel von Reichelt hatten einen Kurzschluss, was zur Folge hatte, dass ein CAN-Knoten und ein Lichtsignalmodul funktionsunfähig wurden. Ich werde jetzt bei Conrad neue Flachbandkabel kaufen, denn die haben sich bei der Yakindu -Anlage als gut erwiesen. Da auf der Yakindu -Anlage keine Signale verbaut sind, sind mehrere Firmware-Bugs erst jetzt aufgetaucht. Die Formsignale wollten gar nicht schalten und die Ausfahrsignale konten Sh1 nicht darstellen. Die Bugs waren schnell gefunden und gefixt. Zum ersten Mal konnte der ATmega-CAN-Bootloader seine Vorteile voll ausspielen: Einfach Firmware-Update durchführen und alles funktionert. Ärgerlich war auch eine falsche Beschriftung der Modulanschlüsse. So waren die Signalbilder nicht in Ordnung und alle Lichtsignalmodule mussten umverkabelt werden.

Mein Arbeitsplatz für einige Tage

Das Bild zeigt den Arbeitsplatz, den ich für einige Tage genießen werde. Die Wolldecke leistet mir unschätzbare Dienste. Sie hält meinen Rücken auf den Fliesen warm und man kann mit ihr rutschen, als wäre es ein Rollbrett aus einer KFZ-Werkstatt. Ansonsten ist die Arbeit gutes Bauchmuskeltraining und fördert die Körperkoordination.


Eine Woche Lötarbeit

Dienstag, 7. Oktober 2008 Tags: Verkabelung Eisenbahnsteuerung

Nach einer Woche Löten sind alle 73 Module fertig gelötet und durchgeprüft. Die Module wurden in Vierer- und Fünfergrüppchen gelötet, um so eine höhere Produktivität erreichen zu können. Alles sieht beeindruckend aus und ich bin froh, diese Arbeit erledigt zu haben. Schön ist auch, dass fast nichts kaputtgegangen ist und dass kein Teil zu wenig oder zu viel bestellt wurde. Alles hat gepasst.

Beginn der Steuerverkabelung

Da jetzt alle Module fertig gelötet sind, kann jetzt mit der Verkabelung begonnen werden. Vorher sind aber noch ein paar vorbereitende Arbeiten nötig. Die Nutleisten müssen zurechtgesägt werden. Es muss unter der Anlage Platz geschaffen werden und die restlichen Signale und Weichen müssen verbaut werden. Diese dienten bisher als Testexemplare der Module

Schalldämmung für die Gleismodule

Heute Nacht ist mir eine Idee gekommen, wie die relativ lauten Gleisrelais leiser gemacht werden können. Ich habe noch Reste der Schalldämmung für die Gleise. Daraus habe ich Träger geleimt, die so am Stück unter die Platte geleimt werden können. Das hat auch den Vorteil, dass die Verleimung der relativ schweren Gleismodule leichter von statten gehen kann.


Es ist angerichtet...

Montag, 29. September 2008 Tags: Eisenbahnsteuerung

Als letztes Päckchen sind die Leiterplatten von MME-Leiterplatten eingetroffen. Die Qualität ist sehr gut. Es sind sogar noch ein paar Leiterplatten mehr im Päckchen als bestellt waren. Die Teile sind inzwischen nach Bauteilen vorsortiert und das Ganze erinnert an ein - jetzt vollständig - gedecktes Frühstück. Jetzt kann mit dem Verlöten der mindestens 57 Platinen begonnen werden. Zum Glück habe ich ab Donnerstag Urlaub, sodass in Ruhe durchgelötet werden kann.


Umbau der Viessmann-Signale

Mittwoch, 24. September 2008 Tags: Viessmann gelbes Sh1 Lichtsignal

Heute sind die Umbausätze für die Viessmann -Signale von Conrad angeliefert worden. Außer dem Umbau der Sh1-Huckepack-Platine muss auch der Vorwiderstand umgelötet werden. Die neue Platine hat Kontakte aufgelötet, welche natürlich erst ausgelötet werden müssen, denn das Signal hat seine Stifte noch in der Hauptplatine stecken. Ansonsten funktioniert der Umbau mit der gewohnten Umsicht und Geschicklichkeit ganz gut.

Die von Conrad gelieferten Platinen werden zwar mit "reinweißen LED's" beschrieben, haben aber in Wirklichkeit einen deutlichen Blaustich. Dies ist aber immernoch deutlich besser, als die strahlend gelben LED's der Ursprungsfassung. Insofern hat sich der Umbau gelohnt.

Lieferungen der Steuerung

Inzwischen sind auch die ersten Lieferungen der Eisenbahnsteuerungen eingetroffen. Somit kann bald mit einer groß angelegten Lötaktion die Verkabelung der Anlage begonnen werden. Einzig die Platinen selbst fehlen noch. So erinnert das an ein gut gedecktes, frisches Frühstück, bei dem die Brötchen fehlen.


Gelbes Sh1 bei Viessmann-Signalen

Sonntag, 21. September 2008 Tags: Viessmann gelbes Sh1 Lichtsignal

Die Gleissperrsignale und Ausfahrsignale von Viessmann zeigen beim Signalbild Sh1 ein grässliches, nicht vorbildgerechtes gelb. Bei der Recherche, ob die Viessmann Ausfahrsignale umrüstbar sind, bin ich bei Conrad auf eine kleine Platine ( Artikelnr. 244905 ) speziell für Viessmann Ausfahrsignale gestoßen. Grund genug zu erforschen, ob sich die Signale für den Ausbau der gelben LEDs zerlegen lassen.

Zunächst muss die Frontblende entfernt werden. Diese ist mit der Platine mit einer weichen schwarzen Masse vergossen. Sie kann man auf der Rückseite vorsichtig von oben nach unten mit einem kleinen Messer oder Schraubenzieher abkratzen. Oben kann man dann zwischen Platine und Blende eben diese mit einem Messer hinter hebeln und vorsichtig in Richtung Mast freihebeln. An Mast ist noch etwas Vorsicht geboten, weil die Blende dort durch die grüne Farbe festgeklebt ist.

Ist die Blende entfernt, kann die kleine Huckepackplatine mithilfe einer Entlötpumpe von der Schirmplatine ausgelötet werden. Die Anschlüsse sind jeweils in den freien Ecken der Platine. Die Trägerplatine ist mangels Blende nicht mehr wirklich fest, sodass man beim Entlöten aufpassen muss, dass man sich nicht die Finger verbrennt. Wenn man ein Messer zwischen beide Platinen schiebt, kann man die Huckepackplatine recht gut entlöten.

Nachdem die Platine erfolgreich ausgelötet war, konnte ich beruhigt die Bestellung für die weißen LED-Platinenträger bei Conrad aufgeben. Jetzt kann ich anfangen, die anderen der 13 Ausfahrsignale zu demontieren. Während ich beim ersten Signal noch fast eine Stunde gebraucht habe, war das dritte Signal schon nach etwa sechs Minuten zerlegt. Der Vollständigkeit halber sei hier erwähnt, dass diese Demontage auf eigenes Risiko zu verantworten ist. Schließlich erlischt bei dieser Aktion jeglicher Garantieanspruch.


Der Yakindu-Tag

Donnerstag, 4. September 2008 Tags: Land der Ideen itemis Eclipse Embedded Yakindu MDSD

Auf dem heutigen Yakindu -Tag wurde die itemis AG für ihre innovativen Leistungen im Bereich der modellbasierten Software-Enwicklung im Embedded Umfeld ausgezeichnet. Bei dieser Gelegenheit wurde die Vorführanlage gezeigt. Das Bild zeigt die itemis-Vorstände nach der Preisverleihung.


Die Vorführanlage ist fertig

Donnerstag, 28. August 2008 Tags: itemis Integrationstest Yakindu

Nach zwei Tagen Bauzeit ist die Vorführanlage für den Yakindu -Tag der itemis AG fertiggestellt. Zum ersten Mal hört man das beeindruckende Klack-Klack-Klack der Weichen und Relais. Das zum Teil zeitaufwändige Testen hat sich gelohnt. Die Software funktioniert einwandfrei in Verbindung mit der Anlage.


Ein frustrierender Tag

Freitag, 15. August 2008 Tags: ATmega32 Integrationstest Kurzschluss

Der Tag heute war ein Rückschlag. Da alle Module gelötet sind, ist ein umfangreicher Funktionstest an der Reihe. Dabei zeigte sich schnell, dass die Gleismodule nicht wie erwartet funktionieren. Die Relais ziehen nur an, wenn die externe 12V-Spannung angelegt werden. Werden die 12V aus dem CAN-Knoten über das Flachbandkabel bezogen, funktioniert nichts mehr. Schlimmer noch: Nach dem Test funktioniert der CAN-Knoten auch nicht mehr! Nachdem drei CAN-Knoten nicht mehr funktionieren, war die Ursache schnell ausgemacht: Sämtliche 12V-Leitungen auf der CAN-Knoten-Platine sind durchgebrannt, weil sie zu dünn sind. Einige der Masse-Leitungen hat es auch erwischt.

Um der Ursache auf den Grund zu gehen, wird ein handgelöteter Prototyp verwendet, der aber auch nicht lange lebt. Nach intensiver Suche wird ein Kurzschluss auf dem Magnetartikelmodul identifiziert. Es ist also nicht das Gleismodul, was viel Strom zieht, den ein Relais braucht nur 40 mA. Da ziehen die Lichtsignale sogar mehr.

Jetzt geht es an die Reparatur. Die durchgeschmorten Leiterbahnen werden geflickt. Das scheint aber nicht auszureichen. Die Schadensmeldung lautet wie folgt: 2x 5V-Spannungsregler, ein ATmega32 und ein MCP2515 hat es ins Nirvana verfrachtet. Jetzt funktioniert wieder alles. Sämtliche Module sind auf Funktionsfähigkeit überprüpft.

Als weiteres Ergebnis wurden alle Versorgungsleitungen verbreitert. Ferner hat sich gezeigt, dass die Lötpads der Anschlussklemmen zu klein sind. Diese müssen eine mechanische Belastung beim Schrauben aushalten können.

Das Tagesziel wurde zwar erreicht - alle Module funktionieren - allerdings hat es den ganzen Tag gekostet.


Starkstromverkabelung abgeschlossen

Sonntag, 10. August 2008 Tags: Verkabelung Schaltnetzteil

Der Einbau der Schaltnetzteile für die Controller-Elektronik wurde heute abgeschlossen. Es wurde ein 120W/12V-Netzteil für die Controller- und Lichtsignalversorgung verbaut. Die Controller-Module haben einen 5V-Spannungsregler, um die Elektronik versorgen zu könnnen. Ein weiteres 24V-Netzteil mit 60 Watt Leistung wird die Magnetartikel (Formsignale und Weichen) versorgen. Die Magnetartikel brauchen nur 18V, allerdings ist das Angebot an 18V-Schaltnetzteilen sehr gering. Aus diesem Grund ist auf den Magnetartikelmodelen ein 18V-Spannungsregler verbaut. Um diesen wiederum zu schonen und den Stromverbrauch zu reduzieren, wurde das 24V-Netzteil so weit wie möglich runtergeregelt - auf schließlich 20,8V.

Die restliche Starkstromverkabelung wurde verlegt und ist betriebsbereit. Insgesamt wurde für die unterschiedlichen Stromversorgungen eine Art Backbone gelegt. Dieser hat die gemeinsame Masse, 12V, 24V und die Fahrspannung. Daraus versorgen sich alle Steuermodule.

Jetzt fehlen nur noch die abschließenden Prototypen. Danach können die Platinen für die Endmontage in Auftrag gegeben werden. Was danach kommt ist eine Menge Fleißarbeit, denn es müssen mehrere Dutzend Module gelötet werden.


Beginn der Verkabelung

Samstag, 2. August 2008 Tags: Verkabelung Schaltnetzteil

Heute habe ich mit der Verkabelung der Stromversorgung angefangen. Ein zentraler Lichtschalter soll alle Komponenten ausschalten können. Dazu werden Verteilerdosen, Stecker und eben der Lichtschalter im Bauhaus besorgt. Die 1,5 mm² Kabel erweisen sich als störrisch, so dass ich doch die eine oder andere blutige Verletzung davon trage. Einziger Trost: Danach wird's leichter. Die Verkabelung kann auf der Starkstromseite nicht vollendet werden, da die Lieferung der Schaltnetzteile von Conrad noch aussteht.


Die ersten Platinen liegen als Prototyp vor

Donnerstag, 31. Juli 2008 Tags: CAN-Bus

Heute sind nach zwei Wochen endlich die Prototypen der CAN-Knoten und der Lichtsignal-Module eingetroffen. Die Platinen sind beeindruckend klein. Erste Tests sind erfolgreich verlaufen. Jetzt müssen die Gleismodule und die Magnetartikelmodule ins Layout und als Prototyp gefertigt werden.


Integrationstest der Gleisbesetztmeldung führt zum Erfolg

Freitag, 25. Juli 2008 Tags: Integrationstest Schattenbahnhof Gleisbesetztmeldung

Nachdem die ILQ 620 so rasend schnell eingetroffen sind, können wir sofort mit der modifizierten Gleisbesetztmeldung anfangen. Diese ist schnell zusammengesteckt und das Wichtigste: Sie funktioniert! Jetzt muss nur noch der Integrationstest an der Eisenbahn her. Hier gab es erstmal einen Schreckmoment: Die Gleisbesetztmeldung zeigt Dauerbesetzt! Nach etwa 40 Minuten ist mir eingefallen, dass im Schattenbahnhof noch der innenbeleuchtete IC steht. Nachdem die Waggons vom Gleis waren, funktionierte alles perfekt. Einzig ein wenig Feintuning am Entprellen musste noch durchgeführt werden. Diese hatte Meldungen gemacht, obwohl keine Zustandsänderung erfolgte. Ferner wurde der Entprell-Timeout hochgesetzt. Dieser war so empfindlich, dass das Entprellen das Rollen der Achsen über die Trennstücke der Gleisabschnitte detektieren konnte. Eine Methode, die man zum Achszählen einsetzen könnte, aber das ist hier nicht gefragt.


Erster Integrationstest der Gleisbesetztmeldung

Mittwoch, 23. Juli 2008 Tags: Integrationstest Gleisbesetztmeldung

Heute haben sich Marc und ich einen Heimarbeitstag gegönnt: Wir wollen die Gleisbesetztmeldung an der Anlage testen. Ein erster Test offenbart schnell den Fehlschlag: Sie funktioniert schlicht nicht. Einige Überlegungen zeigen dann, dass sich die vier Melder gegenseitig beeinflussen. Wir entscheiden, nicht die Methode mit dem Operationsverstärker zu wählen, sondern den Spannungsabfall über Optokoppler zu messen. Jetzt heißt es, einen Optokoppler auszuwählen, der bidirektional funktioniert und mit möglichst wenig Spannung zuverlässig funktioniert. Schließlich fallen durch die Gleichrichter nur 1,4 Volt ab! Die Wahl ist zwar schnell auf den ILQ620 gefallen, aber der muss erst per Internet beschafft werden. Zumindest in diesem Fall haben wir Glück: Nachmittags bestellt, am nächsten Morgen auf dem Schreibtisch. Glückwunsch und Respekt Conrad und liebe Post, sowas Schnelles habe ich bisher in meinem Leben noch nicht erlebt!


Prototypen für Magnetartikel-Module fertiggestellt

Freitag, 18. Juli 2008 Tags: Eisenbahnsteuerung Firmware Embedded

Ähnlich einfach, wie die Entwicklung der Lichtsignal-Module gestaltete sich heute der Prototyp für die Weichenschaltung. Nachdem auf dem Steckbrett eine funktionierende Schaltung zusammengesteckt war, wurde ein Prototyp gelötet. Einige Anpassungen in der CAN-Knoten-Firmware waren notwendig, damit die Weichen oder Signale geschaltet werden können. Typische Modellweichen werden über Magnetspulen angetrieben. Diese haben heutzutage eine Endabschaltung, um das Durchbrennen der Magnetspulen durch Fehlbedienung zu verhindern. Diese Endabschaltung lässt sich dazu ausnutzen, um die Lage der Weiche festzustellen. So lassen sich manuelle Schaltvorgänge feststellen und es lässt sich ein automatischer Schaltvorgang beschleunigen. Denn während eine Weiche ohne Endabschaltung für eine gesicherte Zeit unter Strom gesetzt werden muss (hier etwa eine Sekunde), kann der Strom bei einer endabgeschalteten Weiche abgeschaltet werden und der nächste Schaltvorgang in Angriff genommen werden. Auch lässt sich so feststellen, ob überhaupt ein Schaltvorgang nötig ist. Zeigt eine Weiche auf den linken Abzweig, muss ein Auftrag, die Weiche nach links zu schalten nicht mehr durchgeführt werden.


Prototypen für Lichtsignal-Module fertiggestellt

Mittwoch, 16. Juli 2008 Tags: Fahrstraße Lichtsignal Eisenbahnsteuerung Embedded Firmware

Heute wurden die Prototypen für die Module der Lichtsignale fertig gelötet. Die Module werden über ein 10-poliges Kabel kaskadiert mit einem Mikrocontroller verbunden. Darüber laufen Spannungsversorgung und die Datenleitung. Auf den Modulen sind Schieberegister (74HC595) samt Leistungstreiber (ULN 2803) für die Lichtsignale vorhanden. Es können bis zu vier Module kaskadiert werden. Die Controller sind in der Lage, die korrekten Signalbilder der Deutschen Bahn anzuzeigen. Es wird also nur das Kommando gegeben, dass z.B. das Signal P3 auf Hp2 geschaltet werden soll. Es werden Vorsignale, Blocksignale, Einfahrsignale, Ausfahrsignale und Gleissperrsignale auseinandergehelten. Dabei könnten in Zukunft noch weitere Signale - wie z.B. die neuen Ks-Signale - der Controller-Firmware hinzugefügt werden, denn es ist ein In-System-Programming der Firmware über CAN-Bus möglich.


Prototypen der CAN-Module fertiggelötet

Mittwoch, 9. Juli 2008 Tags: CAN-Bus

Heute wurden einige Prototypen der CAN-Module fertiggestellt. Es handelt sich dabei um Steuereinheiten, die über einen CAN-Bus gekoppelt sind. Um die Kommunikation mit einem Steuerrechner zu gewährleisten wird an den CAN-Bus ein spezielles Modul integriert.

Das Bild zeigt zwei Module. Oben das Koppelmodul und unten ein Steuermodul.


Dampftage in Bochum-Dahlhausen

Sonntag, 15. Juni 2008 Tags: Eisenbahnmuseum Dahlhausen private Veranstaltungen Dampflok

Heute waren wir im Eisenbahnmuseum Bochum-Dahlhausen. Obwohl es sich um einen sog. Dampftag handelte, war leider keine Dampflok unter Dampf. Interessant war es trotzdem und wir hatten viel Spaß.


Die V200 im Hörder Bahnhof

Samstag, 31. Mai 2008 Tags: 221 135-7 Bocholter Eisenbahn Gesellschaft Hörder Bahnhof V200

Im Hörder Bahnhof werden alle Weichen der westlichen Weichenstraße ausgewechselt. Zufällig kam bei dieser Gelegenheit eine Museumslok vorbei: Die 221 135-7 der Bocholter Eisenbahn Gesellschaft. war auf Museumstour.


Ein Sack Kurzkupplungen

Samstag, 31. Mai 2008 Tags: Märklin Roco

OK, von Sack zu sprechen ist vielleicht ein wenig übertrieben. Es ist ein Säckchen mit 50 Kurzkupplungen von Märklin, die fast komplett in Waggons mit NEM Aufnahmeschacht eingewechselt wurden. Die kurz gekuppelten Waggons sehen gut aus, aber die längeren Waggons haben auf den Innenradien doch erhebliche Probleme. Die Kulissenführung führt die Kupplung nicht weit genug vor die Puffer. Dort bleiben sie dann hängen und hebeln die Drehgestelle nach außen.


Schaltung für Steuerung über CAN-Bus steht

Mittwoch, 23. April 2008 Tags: Stellwerk Eisenbahnsteuerung RS232 Embedded Firmware CAN-Bus

Seit letztem Donnerstag entwickeln mein Kollege Marc Habiger und ich die Stellwerkssteuerung für die Modellbahn. Heute haben wir den CAN-Protokollumfang in den Griff bekommen. Dazu zählt natürlich der Austausch von CAN-Frames, sowie die vernünftige Filterung der Frames am Controller. Dadurch können gleich die unwichtigen Pakete rausgefiltert werden, ohne dass der Mikrocontroller mit Rechenzeit belastet wird. Auch das Versenden von Standard Data Frames sowie Extended Data Frames funktioniert problemlos.

Derzeit arbeiten wir an der Kopplung der Kommunikation mit dem PC. Diese soll über die schon altbackene RS232-Schnittstelle geschehen. Diese hat aber bis heute jeder PC und somit muss keine neue Steckkarte oder andere Erweiterung für den PC gekauft werden. Ein CAN-RS232-Gateway setzt die CAN-Frames vom PC über RS232-Schnittstelle auf den CAN-Bus um.

Ich werde häufig gefragt, warum das Ganze über CAN-Bus läuft. Schließlich gibt es genug ausgereifte Digitalmodule für die Modellbahn. Es ist so, dass der CAN-Bus viele gute Eigenschaften hat. Der CAN-Bus wurde von Bosch für den Automotive-Umfeld entwickelt. Ziel war es, durch Einsparung von Verkabelung Aufwand und Gewicht einzusparen. Inzwischen sind 20 Jahre vergangen und der CAN-Bus steckt in nahezu jedem Neuwagen. Die mechanische Belastung auch im Auto sind teilweise enorm, so dass mit dem CAN-Bus ein robuster 2-Draht-Bus (mit der Karosserie als Masse) geschaffen wurde. Bei der Modellbahn sind einige dieser Aspekte auch von Bedeutung. Ziel ist es, Verkabelung einzusparen. Nicht aus Gewichtsgründen, sondern aus rein ergonomischen Gründen, da die Drähte über Kopf montiert werden müssen. Auch die Robustheit spielt dabei eine Rolle. Es gibt auch auf einer Modellbahn viele Störeinflüsse gerade durch Antriebsspulen.

Zum guten Schluss zählt doch eins: Man hat etwas eigenes entwickelt um es zu verstehen. Obendrein ist es auch erheblich kostengünstiger, als die käuflich zu erwerbenden Digitalmodule. Letztlich ist es einfach nur cool, wenn man der Modellbahnanlage ein Firmware-Update spendiert ;-)


Bahnsteig fertiggestellt, Modellbahn füllt sich mit Leben

Samstag, 12. April 2008 Tags: Bahnhof Öllekes

Die Fertigstellung des Bahnsteiges zeigte sich unkomplizierter als gedacht. Zuerst musste das Bahnsteigdach vom alten Bahnsteig getrennt werden, weil nur das Bahnsteigdach in den komplett aus Pappe selbst gefertigten Bahnsteig gebaut werden musste. Die restlichen Aufbauten bestehend aus Sitzgruppen, Fahrpläne und Werbetafeln konnte problemfrei vom alten Bahnsteig gelöst werden. Das einzige Problem ergab sich, beim Schneiden für die Aussparung für die Treppenabgänge. Diese waren um knapp einen Millimeter zu klein geschnitten und machten so Probleme bei der Anpassung.

Ölleckes

Die meisten Modellbahnanlagen glänzen mit einer außerordentlichen Menschenleere. Außer bei Profianlagen wie z.B. dem Miniaturwunderland fehlt es den Hobbyanlagen an Menschen. Es gibt aber Hersteller, die sich nur auf die Produktion von H0-Männchen - meinerseits auch Ölleckes genannt - spezialisiert haben. Es gibt keine Szene, die sich nicht darstellen lässt. Meine Anlage wirk inzwischen auch schon wesentlich belebter: Selbst eine Blaskapelle hat sich am Bahnhof schon aufgestellt. Auch eine Schafherde samt Schäfer und Schäferhund hat sich auf die Anlage gesellt. Und wo Menschen sind, dürfen Autos natürlich nicht fehlen.

Natürlich sind noch einige andere Ausgestaltungsdetails hinzugekommen. Holz- und Brettstapel. Eine Krippe sowie viele weitere unzählige Kleinigkeiten füllen inzwischen die Anlage. Es liegt noch viel in den Katons - das Kleben geht weiter.


Sechsachsiger Erzwaggon geschreddert!

Dienstag, 25. März 2008 Tags: Erzwagen schlechte Kupplung Roco

Es ist soweit. Der sechsachsige Erzwagen macht wieder mal Probleme. Die Kupplungen verhaken sich und richten sich beim Geradeauslauf nicht aus. Dadurch springt der Waggon aus dem Gleis und zieht die benachbarten Waggons mit. Ein beherzter, zielgerichteter Wurf auf einer beschleunigten Parabelflugbahn und der Waggon ist im Müll. Ein späterer Griff in die Müllkiste birgt noch für Reservezwecke die Achsen und Klauenkupplungen.

Ein detaillierter Blick wird durch die Pufferbühne sichtbar: Die V-förmige Kulissenführung sorgt dafür, dass der Führungshaken nur sehr schlecht auf die andere Seite geführt werden kann. Gerade bei Gleiswechseln bleibt die Kupplung auf der falschen Seite hängen und führt bei der nächsten Kurve zur Entgleisung. Ob da eine kurzgekuppelte starre Kupplungsverbindung hilft, bleibt da zweifelhaft. Feilt man diesen Haken ab, führt das dazu, dass der Führungshaken aus der Kulissenführung rausspringt. Auch das unterstützt nicht gerade entgleisungsfreie Kurvenfahrten. Gerade längere Züge vergrößern die Zuglast an der Kupplung, was den Seitenwechsel der Kulissenführung erschwert. Gerade aber lange Erz- oder Kohlezüge sehen ungemein authentisch aus. Sechs Kohlewaggons wirken sowieso schon ipsig.

Die erwähnten Erzwaggons sind mindestens 20 Jahre alt. Ich weiß nicht, ob sich inzwischen etwas an der Qualität der Waggons getan hat. Auffällig ist aber, dass Roco auch schon eine "bewegte" Firmengeschichte hat. So gut das Gleisraster dieser Firma auch sein mag, nur große Radien sind aus Platzgründen nicht jedermann Sache und enge Radien führen definitiv zu Entgleisungen. Wenn Roco überleben will, muss etwas an der Alltagstauglichkeit getan werden. Die Loks haben das jedenfalls bewiesen - sie fahren anstandslos.


Restliche Ausgestaltung

Montag, 24. März 2008 Tags: Sufloch Landschaftsbau

Die Bebauung des Industriegeländes wird verklebt. Die drei Wohnhäuser bekommen ihre Rasenfläche. In die Schlucht wird noch ein Sägewerk hingebaut. Durch die Baumbepflanzung wirkt das Gelände schon recht realistisch. Einzig die Industriebauten wirken ein wenig wie hingestellt. Hier muss ich wahrscheinlich ein paar Büsche (= Islandmoos) zum Eintarnen der Bausockel verwenden. Vom Haltepunkt Sufloch sieht der Bahnhof Sodbrandt schon ganz gut aus.


Das Industriegelände wird mit Straße beklebt

Sonntag, 23. März 2008 Tags: Landschaftsbau

Frohe Ostern! Eine der großflächigsten Beklebungsmaßnamen finden heute statt. Teilweise sind das komplette A4-Bögen. Damit wird heute eine große Fläche geschlossen. Das anschließende Verkleben der Bürgersteige verläuft unspektakulär.


Die Neubausiedlung ist fertig

Samstag, 22. März 2008 Tags: Sodbrandt Landschaftsbau

Die Neubausiedlung hat ihr endgültiges Aussehen bekommen. Die Bürgersteige sind aufgeklebt. Die Häuser haben ihre Begrünung auf mit Islandmoos erhalten. Die Bürgersteige sind bis zum Rand der Platte gezogen. Es zeigt sich, dass eine Verlängerung über die mittlere Platte hinaus schöner aussehen würden.


Alt Ulm bekommt die erste Begrünung

Freitag, 21. März 2008 Tags: Begrünung Alt Ulm Landschaftsbau

Heute ist Karfreitag und es kommt der Patenonkel zum Geburtstag meiner Tochter. Da muss man je Einiges zeigen. Daher ist nochmals Arbeitseinsatz angesagt. Die Mauern im Vordergrund sind wieder vorgedruckte Mauern, die über die obere Kante auf einen Papierstreifen geklebt wurden. Dies erwies sich als kniffliger, als ich bei den Straßen vermutet hatte. Der Holzleim hat das Papier so aufgeweicht, dass es auf der Rückseite verrutschte. Nach einem Teststreifen habe ich die Sache aber im Griff. Nach getaner Arbeit wurde die Begrünung von Alt Ulm mit langer Belichtung und Zeitverzögerung fotografiert.


Verkleben der Bürgersteige

Sonntag, 16. März 2008 Tags: Alt Ulm Landschaftsbau

Dieses Bild zeigt den Klebevorgang der Bürgersteige. Die Pappe ist leicht verzogen und man braucht erstaunlich schwere Dinge, um die Enden tatsächlich auf den Grund zu biegen. Mit ein wenig Geschicklichkeit und Einfallsreichtum ist auch dieses Problem gelöst. Nebenbei habe ich die Grundplatte für die Neubausiedlung grundiert. Beim nächsten Arbeitseinsatz kann ich also Sodbrandt fertigstellen.

Regenstimmung in Alt Ulm

Mit abgeschaltetem Blitz und Zeitverzögerung habe ich dieses Bild gemacht. Ohne Blitz erreicht man eine bessere Farbtreue und Lichtverteilung. Der Blitz der kleinen Nikon-Knipse ist einfach zu schwach. Durch die erzwungenermaßen höhere Belichtungszeit habe ich die Zeitverzögerung aktiviert, sodass das Bild selbst durch Auflage durch das Abdrücken nicht verwackelt.


Sodbrandt und Sufloch

Sonntag, 9. März 2008 Tags: Sufloch Sodbrandt Landschaftsbau

Der linke Teil der Hänge ist jetzt auch mit Grasmatte beklebt. Die Schlucht hat jetzt auch die vollständige Grundierung erhalten. Jetzt geht es an die Planung der Neubausiedlung. Ein Name dafür muss natürlich auch noch her: Meine Favoriten sind Sodbrandt und Sufloch. Marion ist davon nicht begeistert, aber es ist ja noch ein wenig Zeit für eine Benennung. Aber irgendwann muss ich mich festlegen, denn ich muss ja auch mal Straßenschilder anbringen.

Sodbrandt, erster Wurf

Ein erster Entwurf für Sodbrandt habe ich hier mal zusammengestellt. Dabei habe ich festgestellt, dass das Zusammenstellen von Sufloch einfacher war. Bis zum endgültigen Verkleben ist ja noch Zeit bis zum nächsten Wochenende. So kann ich mir die Sache noch mal gründlich überlegen.


Das erste Stück Landschaft ist fertig

Sonntag, 2. März 2008 Tags: Dampflok Begrünung T3 Landschaftsbau

Die erste größere Fläche Landschaft ist fertig. Die Grasmatte wurde verlegt und mit Stecktannen der besseren Qualität beklebt. Die kleine T3 macht sich gut in dieser Szene.

Die gesamte Bergfläche sieht so aus. Die Schlucht ist noch am Wenigsten bearbeitet. Als nächstes kommt das Neubaugebiet dran. Die Platte ist mit 1,5m Länge relativ unhandlich. Ich werde sie genau an der Stelle durchsägen, wo die mittleren Stützpfeiler sind. So haben beide Hälften genug Halt.


Ein arbeitsreiches Wochenende

Samstag, 1. März 2008 Tags: Dampflok Bahnhof Landschaftsbau

Draußen ist schlechtes Wetter. So braucht man keine Rechtfertigung, an der Eisenbahn zu arbeiten. Daraus ergibt sich eine gute Möglichkeit, viel zu schaffen.

Verkleben der Straße

Die Straßen in der Fachwerkstadt werden zugeschnitten. Hinterher sollen diese mit Holzleim aufgeklebt werden. Die Straße ist eine Textur, die mehrfach auf einem Farblaser ausgedruckt wurde.

Das Verkleben ist relativ einfach: Man verteilt den Holzleim mit einem Japanspachtel gleichmäßig, legt den Druck drauf und streicht diesen mit einem anderen, trockenen Japanspachtel glatt.

Bau eines Bahnsteiges

Der Bahnsteig muss mindestens 1,65 Meter lang sein, damit ein Personenzug mit fünf Waggons samt Lok an den Bahnsteig passt. Um den Bahnsteig zu bauen, muss im Schotter eine Aussparung bis aufs Holz geschnitten werden. Danach werden Querleisten passend geschnitten. Diese werden an den Seitenflächen mit stabiler Pappe zugeklebt. Die Pappe habe ich als Quadratmeter gekauft, ist 2mm stark und lässt sich sehr gut mit einem Teppichschneider schneiden. Diese Streifen müssen mit Schraubzwingen gehalten werden, damit sie nicht aus dem Schotterbett springen.

Das Ergebnis kann sich sehen lassen. Es musste natürlich auch auf das Lichtraumprofil der Personenwaggons, sowie auf die Zylinder der Dampfloks geachtet werden.


Ein neuer Trafo

Dienstag, 26. Februar 2008 Tags: Fleischmann

Heute wurde versehentlich der Eisenbahntrafo runtergerissen. Mir hätte das Gleiche passieren können, insofern war ich sauer auf mich. Der Trafo ist jetzt kaputt. Jetzt ärgere ich mich, dass ich die alten Trafos entsorgt habe. Ich habe noch vor dem Elektroschrott-Container gestanden und gezögert. Der erste Gedanke ist immer der Richtige! Naja, jetzt muss ein neuer Trafo her. Der kleine Fleischmann -Trafo kostet 70 Euro, der große 100 Euro. Eine Menge Geld, aber muss ja sein. Das Bochumer Spielzeug-Paradies hat gute Preise und den kleinen Trafo vorrätig. Damit der Trafo nicht wieder runtergerissen werden kann, ist er jetzt ordnungsgemäß festgeschraubt und die Leitungen mit Strapse befestigt.


Grundierung für die Stadt

Sonntag, 24. Februar 2008

Die Farbgrundierung der Altstadt wurde aufgetragen. Darauf sollen die Straßen geklebt werden. Um besser streichen zu können wurden die Waldelemente abgenommen.


Ja steh' ich im Wald hier?

Sonntag, 17. Februar 2008 Tags: Begrünung Landschaftsbau

Dieses Bild zeigt nur einen Ausschnitt meiner neuen Modelleisenbahnanlage. Es sind schon 300 Bäume gepflanzt worden. Am Wochenende werden die nächsten 100 Stecktannen den Wald vergrößern. Die Arbeit zieht sich ein wenig. Man kann nicht einfach 100 Löcher bohren und dann der Reihe nach die Tannen einkleben. Viel zu groß ist das Risiko, dass die Abstände zwischen den Tannen nicht richtig passen und die Gesamtproportionen nicht passen.

Erster Farbauftrag

Die weißen Gipsflächen werden mit einer Farbgrundierung überzogen. Dieser Farbüberzug ist nicht die endgültige Farbgebung. Die grünen Flächen erhalten einen Grasüberzug, die grauen Flächen sollen Felsen und Baufläche darstellen. Die Felsen werden hinterher noch nachbearbeitet. Die Straßen werden größtenteils mit Imitaten nachgeklebt. Grund für die Aktion ist, dass man die Grasflächen nicht hundertprozentig bündig ausschneiden kann. Dann soll zwischen den Flächen kein Weiß vorschauen. Das Gleiche gilt auch für die Waldfläche. Diese erhält aber keinen Grasuntergrund.

Portale

Die beiden Tunnelportale werden angeklebt. Diese müssen mit Zwingen gehalten werden, da die Grundfläche nicht plan sind. So muss man das Plastik in ihre Form zwingen.


Ein Vorgeschmack auf die Elektronik

Donnerstag, 7. Februar 2008 Tags: Embedded MDSD

Dieses Bild zeigt schon einen Vorgeschmack auf die bevorstehende Elektrifizierung. Es zeigt die rechtsseitige Weichenstraße macht die Komplexität deutlich: Jedes Ausfahrsignal hat sechs LEDs. Mit ihren Schutzwiderständen baumeln sie noch unmotiviert aus der Platte. Zusätzlich kann man die Weichenanschlüsse erkennen und die provisorische Verdrahtung der Gleisabschnitte. Alle Anschlüsse werden an Mikrocontroller der Firma Atmel angeschlossen, die dann zentral von einem PC gesteuert werden. Einige kleine Details zur Stellwerkssteuerung habe ich in einem gesondertem Artikel beschrieben.


Die Geländemodellierung ist fertig

Donnerstag, 7. Februar 2008

Heute bin ich mit den Gipsarbeiten fertig geworden. Der Berg war größtenteils kein Problem. Die Flächen mit dem Fliegendraht musste aber etwas vorsichtiger bearbeitet werden. Der Gips hat sich durch die Drahtmaschen gepresst. Nimmt man allerdings wenig Gips, werden die Machen geschlossen und ließ sich durch einen weiteren Gipsdurchgang bestens bearbeiten. Auch das Geälande, das den Wald bekommen soll macht sich schon ganz gut.


Die Geländeprofilierung ist fertig

Samstag, 26. Januar 2008 Tags: Modellierung Vollmer Lokschuppen

Ich habe mich endlich durchgerungen und den schon erwähnten Viadukt von Vollmer für 30 Euro im Lokschuppen gekauft. Für 16 Teile ist das eine Menge Geld, allerdings musste hier eine Lösung her, sonst kann ich nicht die Schlucht modellieren. Am rechten Teil ragt ein Papierstreifen raus. Dieser soll verhindern, dass bei der nachfolgenden Gipsmodellierung das Brett mit dem Styropor festbackt und so die Entnahme des Bretts verhindert.

Geländemodellierung

Der erste Teil wurde mit Gips modelliert. Der Vorgang geht eigentlich recht einfach. Es wird nur mehr Gips gebraucht, als ich ursprünglich dachte. So muss ich aufhören und in der Woche noch Moltofill nachkaufen.


Ein Hauch von Google Earth

Sonntag, 20. Januar 2008 Tags: Google Earth

Hält man die Kamera direkt an die Decke, ergibt sich immer der gleiche Abstand zum Bahngelände. Auch die Bildfläche ist immer parallel zur Tischfläche. So könnte man wie bei Google Earth die Bilder aneinander stückeln. Natürlich muss dafür erst einmal die Anlage fertig werden.

Bei dieser Gelegenheit habe ich mal ausprobiert, wie die Fachwerkaltstadt aussehen könnte. Eigentlich reicht eine Durchgangsstraße. Die Stadtmauer mache ich direkt an die Kante zum abnehmbaren Brett.


Profilierung mit Styropor

Sonntag, 13. Januar 2008 Tags: Lokschuppen Fleischmann

Bei dieser Anlage sollen zwei Typen von Geländeprofilierung verwendet werden:

  • Fliegendraht
  • Styroporschnitte

Der Fliegendraht kommt zum Einsatz zwischen nicht beweglichen Teilen. Das erhöht die Stabilität. An abnehmbaren Teilen kann man den Fliegendraht nicht befestigen. Daher muss eine in sich feste Form verwendet werden. Styropor ist günstig und leicht zu bearbeiten. Die erste Idee, einen Heißschneider zu verwenden wurde durch das Messer abgelöst. Wenn man mit dem Messer langsam und kontrolliert nicht allzu dicke Schichten schneidet, gibt das sehr gute Ergebnisse. Erstaunlicherweise krümmelt es auch nur sehr wenig. Trotzdem ist der Staubsauger der ständige Begleiter, denn das statisch aufgeladene Material heftet sich überall an und wird so in der ganzen Wohnung verteilt.

Auf diesem Bild kann man das Werkzeug für Styroporprofilierung erkennen. Ein Messer, ein Wetzstahl, um das Messer wieder zu schärfen und ganz wichtig: Styroporkleber. Für Styropor darf nicht jeder Kleber verwendet werden. Andere Kleber lösen den Styropor schlichtweg auf. Ist als Experiment vielleicht mal ganz witzig, die Arbeit ist aber umsonst - mal ganz abgesehen davon, dass ich nicht weiß, was dabei für Dämpfe entstehen.

Bergbau

Ich habe mich durchgerungen, die Weichen auf dem Berg neu zu kaufen. Da die Trix-Weichen doch sehr klobig wirken und nicht gerade gut funktionieren, habe ich im Lokschuppen in neue Fleischmann -Weichen investiert. Nachdem die Gleise festgenagelt und verdrahtet sind, können die Bergaufbauten jetzt auch profiliert werden. Auf diesem Bild kann man gut die vordere Profilierung per Fliegendraht erkennen. Der obere Aufbau hat eine Profilierung mit Styropor. Auch die Position der Häuser spielt dabei eine Rolle, denn schließlich müssen sie ja auf die übrige Stellfläche passen.

Ein Problem stellt noch die Schlucht dar: Soll oben noch eine Brücke gebaut werden, oder soll der Blick auf den Viadukt nicht durch eine weitere Brücke gestört werden. Wenn nicht, muss das Gelände fast vollständig mit Styropor aufgefüllt werden. Das ewige Surfen nach einer vernünftigen Viadukt-Lösung wird auch langsam lästig


Der Wald wird aufgebaut

Sonntag, 13. Januar 2008 Tags: Begrünung

Geländeprofilierung

Die beiden abnehmbaren Teile hinter der Bergauffahrt werden montiert. Dazu werden Holzreste formgerecht zurecht gesägt. Über den Korpus wird Fliegendraht gespannt und festgetackert. Der erste Versuch, den Fliegendraht mit Blaukopfnägeln zu befestigen habe schnell abgebrochen. Da mein Vater ein Elektrotacker besitzt, war die Alternative keine großartige Überlegung. Das Tackern geht schnell und kraftsparend. Immer wenn ich abziehe, flackert zwar das Licht. Solange aber die Sicherung mitspielt und der Server im Nachbarraum keine Aussetzer zeigt, fällt das Ganze hier unter erheblicher Arbeitserleichterung. Übrigens unterscheide ich zwischen Geländeprofilierung und -modellierung. Das Geländeprofil wird grob durch die Holzform vorgegeben. Wenn die Landschaft mit Gips geformt wird, hat man wesentlich feinere Modellierungsmöglichkeiten.

Ansatz der Bergauffahrt

Auf dem Bild kann man auch sehr schön erkennen, wie das erste Stück der Bergauffahrt gebaut wurde. Es wurde ein entsprechend geformter Ausschnitt in der Grundplatte ausgesägt und im ausreichendem Abstand mit einem Holzstück unterfüttert. Das erste Stück muss mindestens so lang sein, dass die Eigendicke und die Stärke des unterfütterten Holzes zusammen nicht für eine zu starke Steigung sorgt. Im Allgemeinen sollten 4cm pro geradem Meter Steigung nicht überschritten werden. Das erscheint aber schon als Steilwandbahnerei. Weniger sieht besser aus und ührt zu weniger Problemen bei leichten Loks. In Kurven sollte die Steigung noch flacher sein, da die Reibung schon durch die Kurve nochmals erhöht wird.


Der Berg wird aufgebaut

Samstag, 5. Januar 2008 Tags: Faller Vollmer Lokschuppen

Das Grundgerüst für den Berg wird begonnen. Auf dem Bild kann man sehr schön die Konstruktion erkennen. Die oberen Platten sollen abnehmbar werden. So lässt sich der Schattenbahnhof bequem warten und reinigen. Links wird das Neubaugebiet entstehen, rechts kommt die Fachwerkaltstadt hin. Dazwischen wird eine Schlucht modelliert. Dieser 30cm breite Teil ist der einzige festmontierte Teil. Unter ihm ist aber noch genug Platz, um auch diesen Teil warten zu können.

Das Ende der Bergstrecke kann man for den Platten erkennen. Dieser Teil ist nicht abnehmbar - muss er auch nicht, da darunter keine Gleise verlegt sind. Der Gleisplan ist mit Trix-Weichen ausgelegt. Es zeigt sich aber, dass diese doch nicht mehr so gut schalten. Hier wird wohl eine weitere Investition in neue Weichen erfolgen müssen. Das Gegrübel über den Viadukt nimmt seinen Lauf. Mehrere Gänge in den Lokschuppen können keine Lösung herbeidenken. Eine Steinbrücke von Vollmer scheint eine Alternative zu sein, kostet aber über 30 Euro. Muss das sein? Seltsamerweise gibt es kein vernünftiges Angebot an Viadukten. Man sucht bei mehreren Herstellern rum, findet aber nichts. Interessant ist, dass es sich Faller leisten kann, in dieser kaufträchtigen Zeit ihren Webserver über mehrere Wochen lang nicht lauffähig zu haben. Zeitgleich findet sich ein Artikel im Stern, indem der Umsatzrückgang beklagt wird. Die Begründung ist, dass sich viele lieber mit dem Rechner beschäftigen, als mit Modellbahnen. Hier scheint wohl ein Management am Werk zu sein, dass die Zeichen der Zeit noch nicht erkannt hat: Mit Rechner und Internet kann man Geld verdienen! Andere im Modellbahnbereich tun das auch. Viele Innovationen im Modellbahnbereich belegen, dass sich viel tut, womit man auch heute noch gerne spielt: mit Modellbahnen und z.B. DCC. Wären da vielleicht nicht Mikrocontroller- gesteuerte Beleuchtung für Modellhäuser nicht was? Vermutlich sogar frei programmierbar über serielle Schnittstelle? Scheinbar hat auch hier der Bahnvirus um sich gegriffen: "Wieso? Wir haben das doch immer so gemacht!"

Wie sagte noch Gorbatschow: "Wer zu spät kommt, den bestraft das Leben."


Silvester

Montag, 31. Dezember 2007 Tags: Viessmann Faller Märklin Schattenbahnhof

Familie Pietrek kommt zu Silvester. Da muss man Georg ja was bieten. Also ist nochmal Arbeitseinsatz. Die Rampe zum Berg wird gebaut. Bis zum Haltepunkt wird die Holzkonstruktion fest verbaut. Ab da kristallisiert sich schon ein Problem heraus: Die 10 (!) Brückenbausätze bestehen aus neun Pfeilern einem Viaduktteil. Vom Viaduktteil könnte ich noch ein Teil gebrauchen. Leider hat Faller das erst vor Kurzem aus dem Programm genommen, weil die neuesten Märklin -Gleise nicht mehr in den Viadukt passen. Die Suche nach dem Bausatz mit Produktnummer 120545 wird sich in den folgenden Tagen als erfolglos erweisen. Bis die Brückenfrage geklärt ist, dienen die Bausätze für die Pfeiler selbst als Pfeiler. Im Bild sind diese links unten zu erkennen. Befahrbar ist die Strecke aus sichtbaren Gründen natürlich nicht.

Wir kommen gut ins neue Jahr. Ich wünsche allen alles Gute für das neue Jahr 2008.


Geburtstag und Weihnachten

Mittwoch, 19. Dezember 2007 Tags: Viessmann Lütgenau Schattenbahnhof Fleischmann

Wirklich ein Geburtstagsgeschenk, Lütgenau ruft an: Die Bestellung ist da! Die kann zwar nicht sofort abgeholt werden, aber es ist gewiss, dass die Weihnachtszeit keine elende Warterei gibt. Die Viessmann -Signale sehen beeindruckend aus. Das Gleismaterial wird gar nicht erst fotografiert, sondern gleich eingebaut und festgenagelt. Natürlich mit den entsprechenden Isolierschienenverbindern - ich lasse keine Provisorien zu! Natürlich werden die Signale trotzdem auch sofort verbaut. Auch die meisten alten BRAWA-Signale bekommen ihren geplanten, endgültigen Standort.

Schattenbahnhof

Der Schattenbahnhof konnte durch das Gleismaterial endlich verlegt werden. In ihm sollen drei Züge parken können. Ein weiteres Gleis dient als Durchfahrtgleis. Als Durchfahrtgleis kann jedes der vier Abstellgleise dienen. So bleibt man flexibel, was die Einfahrt und Ausfahrt unterschiedlicher Züge anbelangt. Die weiteren Gleisverlegungs- und verdrahtungsarbeiten ziehen sich über Weihnachten.


Schotter

Sonntag, 16. Dezember 2007 Tags: Viessmann

Ich habe angefangen, den Bahnhof zu fixieren. Dazu wird unter die Gleise eine Schottermatte gelegt werden. Das ist nichts Anderes, als auf Papier geklebter Streusel. Gerade im frischen Zustand fliegen überall die Krümel rum. Da hilft nur der Staubsauger. Die Fixierung erfolgt mit normalen 10mm Nägeln. Die Korkmatte erweist sich auch diesmal als praktisch, da durch sanftes Einstecken der kleine Nagel nicht wieder rausflutscht. Er ist so ganz gut vorfixiert uns lässt sich bequem nageln.

Ein weiterer nicht unwichtiger Punkt ist die Anlage der Gleisabschnitte. Diese sollen später mal einzeln zuschaltbar sein. Wenn die Gleise jetzt festgenagelt werden, müssen die Isolierschienenverbinder jetzt an die richtige Stelle gebracht werden. Spätestens jetzt muss die Gleisplanung für die Signale abgeschlossen sein. Durch das Verlegen der Isolierschienenverbinder muss das Gleis mit einer Stromversorgung ausgestattet sein, sonst kann man nämlich nicht mehr spielen.

Seit Freitag habe ich Urlaub. Jetzt kann ich mal so richtig für die Eisenbahnanlage durcharbeiten. Fatal wäre es, wenn die Bestellung bei Lütgenau bedingt durch die Weihnachtsfeiertage erst im neuen Jahr ankommen würden. Inzwischen ist das ein Blocker, denn das bestellte Gleismaterial verhindert einen Weiterbau. Die Hälfte sind zwar Lichtsignale von Viessmann , diese könnten aber selbst bei fertiggestellter Anlage nachträglich eingebaut werden.


Gewichte

Sonntag, 9. Dezember 2007 Tags: Erzwagen schlechte Kupplung Roco

Die Roco-Erzwagen sind zu leicht! In jeder Kurve springen die Waggons raus, weil die schwache Kulissenführung der Kupplungen nicht in die Mittelstellung zurückspringen.

Der erste Versuch galt der Kulissenführung. Dort ist in der Mitte eine Spitze, die das Zurückrutschen verhindert. Diese habe ich abgerundet. Leider springt ein Dorn der Kupplungsführung jetzt raus, so dass die Kupplung jetzt hängt.

Einzige Lösung ist jetzt, die Waggons zu beschweren. Zu diesem Zweck wurden die Waggons auf die Schnelle mit Schlossschrauben beschwert. Diese sind mit Strapse so befestigt, dass sie trotzdem noch beweglich durch die Kurven fahren können. Dieser Test war erfolgreich, so dass die Waggons jetzt geöffnet werden können, um in das Innere schwere Muttern unterzubringen.


Das letzte Stück Platte ist da

Dienstag, 4. Dezember 2007 Tags: Erzwagen Roco

Im Körner Hellweg (der Baumarkt, nicht zu verwechseln mit der Straße Körner Hellweg) gab es das letzte Stück Platte. 10 mm Pappelsperrholz scheint wohl nicht so gängig zu sein, jedenfalls wusste der Sägergehilfe nicht, dass er es auf Lager hatte. Wie dem auch sei, die Tischebene ist zu.

Jetzt kann es losgehen. Ein schneller Test mit Erzwagen von Roco , und auch meine Tochter freut sich auf den Aufbau. Die Strecke ist erst einmal nur ein paar Meter lang und hat noch keine Kurven. Getestet wird auch, wie sich die Trittschalldämmung verhält.


Die Platten kommen auf den Rahmen

Montag, 3. Dezember 2007

Tja, es ist schon schwierig, acht Quadratmeter Pappelsperrholz zu bekommen. Jedenfalls habe ich heute den Hellweg in Hörde leergekauft. In der hinteren Ecke bleibt so leider ein kleines Stück offen. Das hintere Stück hatte ich als 1,5m x 1,5m geplant. Leider gibt's Sperrholz nur bis 1,22m. So musste ich ein wenig umdisponieren. Die Sache hatte auch sein Gutes: eine 1,5er Platte hätte ich nicht in unseren Kangoo bekommen.


Dampflokfahrt nach Soest

Samstag, 1. Dezember 2007 Tags: private Veranstaltungen Dampflok 50 3655 Soest

Heute wird nicht am Rahmen gebaut, weil wir eine Dampfloktour nach Soest machen. Die Tour ist auch ein kleines Dankeschön an diejenigen Helfer, die uns beim Einzug in unser neues Haus geholfen haben. Der Tag ist erstaunlicherweise sonnig. So haben wir einen sehr schönen Tag auf dem gemütlichen Weihnachtsmarkt in Soest.


Bau des Rahmens

Freitag, 30. November 2007

Heute wird mit dem Bau des Rahmens begonnen. Der Rahmen besteht aus zwei Gestellen, die zusammengeschoben werden sollen. Erst hat sich der der Sägergehilfe geziert, die Holzteile zuzusägen, aber ich bin ja wohlweißlich morgens in den Hellweg gefahren, um dem Wochenend-PFR zu entgehen.

Der erste Rahmen

Abends wurde der erste Rahmen verschraubt. Das Holz ist leicht verzogen, aber mit der rohen Gewalt der Schraubzwingen und einer Menge Geduld von mir ist der erste Teil schon recht gut gelungen. Nach ca. drei Stunden Arbeit war der Tisch fertig.

Der zweite Rahmen

Am Sonntag konnte der zweite Teilrahmen gebaut werden. Durch die Erfahrung am ersten Rahmen ging die Sache schon ein wenig schneller. Insgesamt bin ich von mir selbst überrascht, wie schnell ich die Sachen zusammengeschraubt habe. Eine große Hilfe war der Akkuschrauber. Vor 20 Jahren gab es sowas im Heimwerkerkreisen noch nicht, da war reine Handarbeit angesagt. Aber heute kann man Zeit und Muskelkater sparen - schöne neue Welt. Ich habe mich um keinen Millimeter verplant. Die Sache ist stabil. Was will ich mehr? Natürlich die Platten!


Die Entscheidung zum Bau ist gefallen

Donnerstag, 29. November 2007

Ich werde nicht warten, sondern morgen mit dem Kangoo in den Hellweg fahren!


Die Spannung steigt...

Samstag, 24. November 2007

Eigentlich wollte ich ja noch mit dem Neuaufbau warten. Ich habe auf meinem Schreibtisch ein Gleis aufgebaut, auf dem einige Loks hin- und herfahren können. Das macht ungeduldig! Also fange ich an, das Baumaterial zu planen. Mehrere Gänge in den Baumarkt hatte ich bereits, um mich über das Baumeterial und Preise zu informieren.

Ich werde wohl keine Spanplatte verwenden, weil die zu schwer ist und somit vermutlich durchhängen wird. Auch das Verschrauben wird sich bei Spanplatte als schwierig gestalten. Die Stützen möchte ich nämlich über Winkel verschrauben. Stattdessen nehme ich das teurere Pappelsperrholz in der Stärke von 10mm. Der Rahmen wird Fichtenholz der Höhe 12cm und 18mm Stärke nehmen. Bei der alten Anlage sind noch die sechs 80cm hohen Eckpfosten übriggeblieben. Ich werde noch 74mm x 74mm Kanthölzer zur weiteren Stützung hinzubauen. Hinzukommen noch 74mm auf 24mm Querlatten genau unter den Plattenkanten.


Der Bahnhof entwickelt sich

Samstag, 17. November 2007 Tags: Bahnhof Schattenbahnhof

Der neue Bahnhof entwickelt sich. Auch meine Tochter hat Spaß daran gefunden, Gleise zusammenzustecken. Der Gleisplan zeigt schon die Variante, die hinterher verwendet werden soll. Es kommt im Wesentlichen darauf an, dass ein Personenzug an einen Bahnsteig passen muss, der 1,65m lang ist. Das ist genau die Länge für fünf Personenwagen samt einer Lok. Da die geraden Stücke eine definierte Länge haben, kann man sie einfach dazwischen planen, ohne sie tatsächlich verbauen zu müssen, denn schließlich ist mein Büro für einen originalgetreuen Aufbau zu klein. Trotzdem ist das eine gute Grundlage, die Größe der Arbeitsplatte zu bestimmen. Die ist natürlich nicht nur von der Länge des Bahnsteiges abhängig, sondern auch von den verwendeten Kurvenradien.

Der Gleisplan wird für später skizziert. Mit den zusätzlichen Fotos sollte eine Rekonstruktion auf der neuen Anlage gelingen.

Anforderungen an die neue Anlage

Die neue Anlage soll übrigens keine großartig geschwungenen Gleise erhalten. Das führt nur unnötig zu komplizierten Landschaftsaufbauten. Die Radien haben einen Außenradius von 435mm. Damit kann man einen Halbkreis auf weniger als einen Meter unterbringen. Die Anlage soll L-förmig werden. Die Schenkel sollen nicht mehr als 1,30m breit sein. Damit sollte jede Stelle auf der Anlage gut erreichbar sein. Eine weitere Forderung ist, dass die Anlage kleiner werden soll, als die erste. Die erste hatte 8qm die Planungen für die neue sehen 7,8qm vor. Durch die L-Form wirkt die Anlage größer, da sie zwar nicht so tief, aber dafür länger ist.

Die Planung lässt auch einen Schattenbahnhof zu. Dieser soll auf der linken Seite vorhanden sein. Hier wird eine Schenkelbreite von 1,30m vorgesehen. Da bleibt genug Platz für die Zimmertür und einen allseitigen Umlauf um die Anlage. Der Umlauf soll mindestens 30cm Platz lassen, um bequem arbeiten zu können.

Die Zahl der befahrenen Ebenen soll auch möglichst beschränkt bleiben: Zwei Kreise in einer Ebene und eine Stichstrecke auf den Berg. So lassen sich Entspannung (= Biermodus) und Spielbetrieb schön mischen. Im Biermodus soll ein Zug einfach nur im Kreis fahren, während ich entspannt im Sessel ein Bier trinke. Auch so macht Eisenbahnern Spaß!

Die Wartbarkeit soll auch nicht außer Acht gelassen werden. Die hinteren Geländeteile über dem Schattenbahnhof sollen abnehmbar sein. So kann man gut an die Gleise und diese bequem säubern. Hier habe ich aus einer entscheidenden Schwäche der alten Anlage gelernt. Die äußere Strecke hatte eine Sonderrunde eine Etage tiefer. Das lag so schlecht, dass die Gleise noch nicht einmal befestigt waren. Da immer etwas unter der Anlage stand, war die Reinigung praktisch nicht mehr möglich.


Der neue Bahnhof

Samstag, 10. November 2007 Tags: Bahnhof Fleischmann

Nachdem die alte Anlage abgebaut ist und in Kisten im Keller steht, kann man ja schon mal ein wenig auf dem Parkett ein paar Gleise aufbauen. Das Bild zeigt die Weichenstraße im Norden. Hier sollen zwei Gleise im Kreis ausfahren und ein drittes Gleis soll auf den Berg führen. Der Bogen ist nicht vollständig, da mir eine Bogenrechtsweiche fehlt. Eine Bogenlinksweiche habe ich zu Testzwecken auf den Bauch gelegt, um die Dimensionen abzuchecken. Diese Weichenkombination steht auch im Fleischmann -Katalog, sodass ich mir hier keine weiteren Sorgen machen muss.